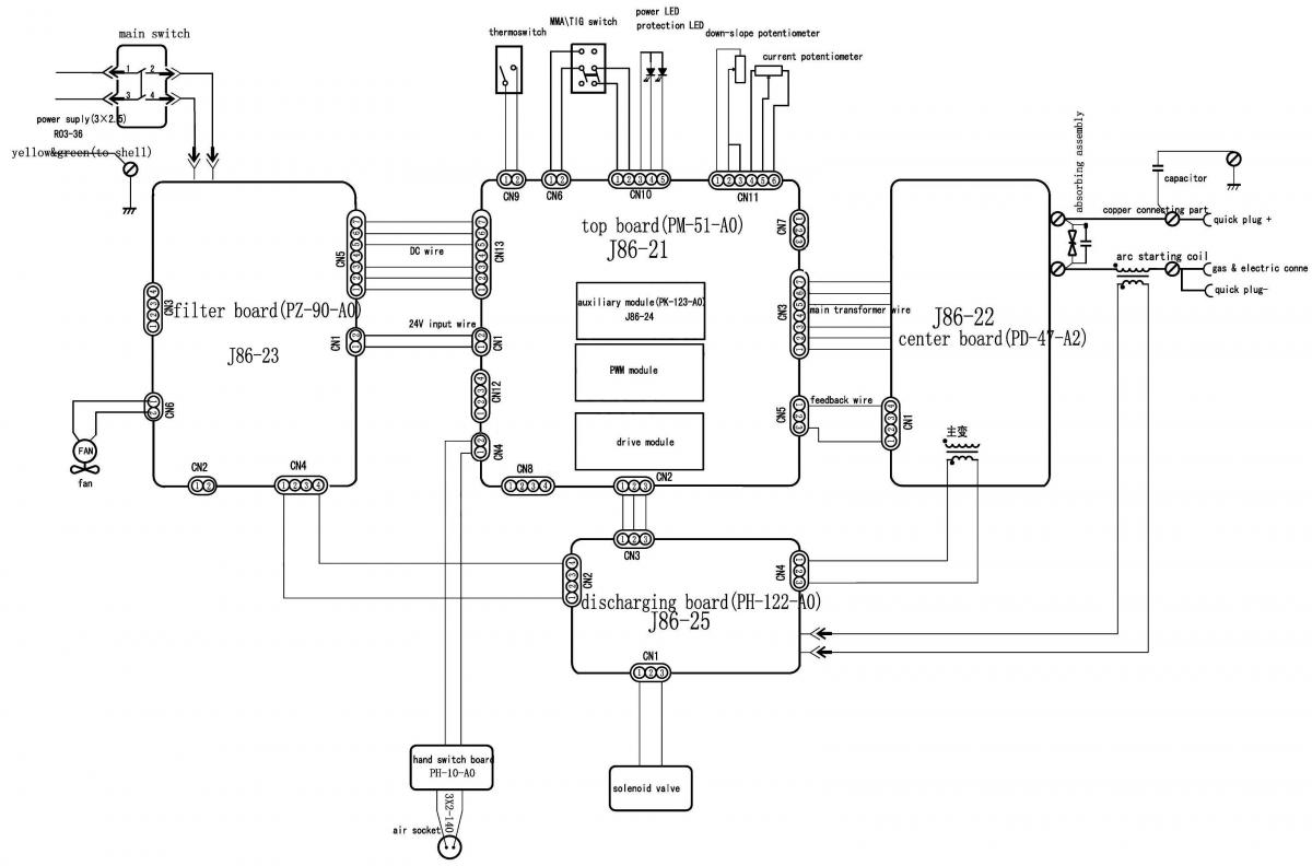
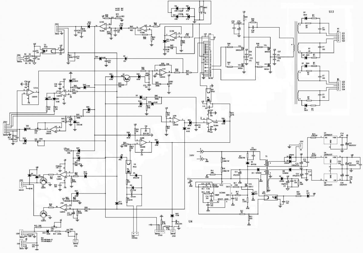
до поломки (подозреваю при включении закоротили свар кабеля), аппарат по отзыву сварщика работал идеально, подстроечники не крутились (по словам хозяина), вот почему и нехочется "накрутить геморроя" на свою голову....
просто петля ОС приходит как раз в гущу подстроеничков и схема была бы очень полезна и сэкономила бы дня 2-3, ато - пререрисуй, прорисуй, проверь....., и к стати спасибо за ссылки но там нмчего нового к сожалению, да и я там уже был))), да и схем у меня под пару гиг скачано вобщем))), а вот ничего подобного не встречал(.... потому и в поске схемы на Shyuan TIG/MMA 250А, а за помощь спасибо!



Ответить с цитированием

