Дело не в силовой части. Обратная связь по току, похоже.... Такое же было, вроде и ток не большой, а брызги металла за шиворот летели...поджиг дуги хороший, но варит плохо, плюётся
 
 
			
			Дело не в силовой части. Обратная связь по току, похоже.... Такое же было, вроде и ток не большой, а брызги металла за шиворот летели...поджиг дуги хороший, но варит плохо, плюётся
 
 
			
			 
 
			
			 
 
			
			 
 
			
			http://radio-uchebnik.ru/shem/50-invertory-svarochnye/1089-skhemy-svarochnykh-invertorov
Тут схемки разные. А вот что конкретно осликом посмотреть,не скажу. От токового транса, его диоды, и далее до операционника.... И под нагрузкой естественно. Если ключи жахнули, то может и токовый транс зацепило? Или хозяин сварки просто решил аппарат до идеала довести....
 
 
			
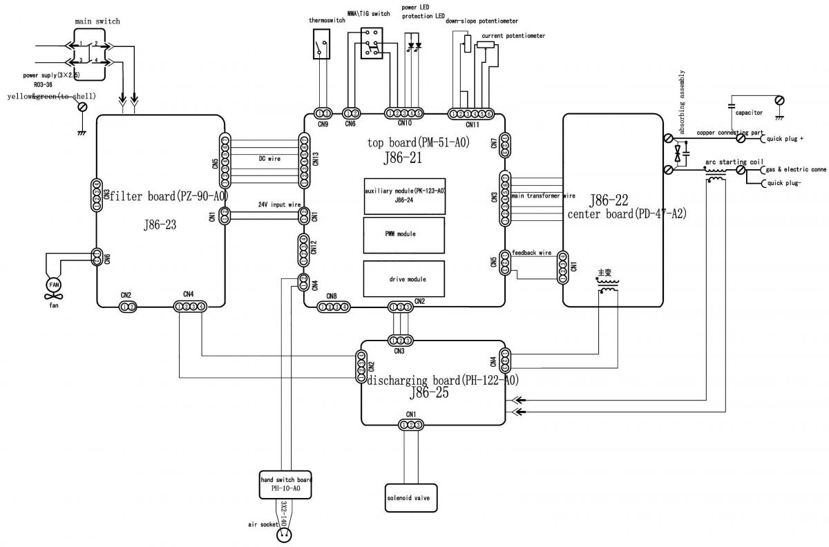
			по силовой части подходит 1к1 схема:- Kaiser_NBC-250sch.pdf, во всяком случае по ней Shyuan TIG/MMA 250А ремонтировал, не совпадает конечно нумерация элементов, и у меня ключи мощнее, а так 1 в 1, боюсь мои пометки к нумерации вам не помогут, а схема вот...
 
 
			
			Как вариант, нагрузить шунтом, и посмотреть, не гуляет ли заполнение шим....
Maxi (18.02.2020)
 
 
			
			Перед выдачей тестил, не гулял никто никуда), что сейчас не знаю, посмотрим снова. Спасибо за направление, я так и думал, просто надежда, что кто то уже проходил по ЭТОЙ модели и её плате, чтоб по пдстроечникам хоть что нибудь подсказали, дабы не навредить другому режиму ..., а так черз дней 5-7 получу это чудо в руки и попробую дальше срисовывать схему с платы, чтоб хоть выяснить что чем можно накрутить, но просьба по схеме всё также актуальна!!!
 
 
			
			Так, моё скромное мнение.... Если подстроечники не крутились, то и трогать их какой смысл?.... Аппарат то работал нормально до болезни....
PS На диоды токового транса внимание обрати. Может один какой не совсем жив...
Последний раз редактировалось mayachka; 18.02.2020 в 23:33.
 
 
			
			Maxi (19.02.2020)