Значит это первый его аппарат в жизни. Такая же фигня и со мной была. Страх, пот, нервы, валидол...Чувствуете разницу - 3 минуты и 6 дней как вы тут просите схему......
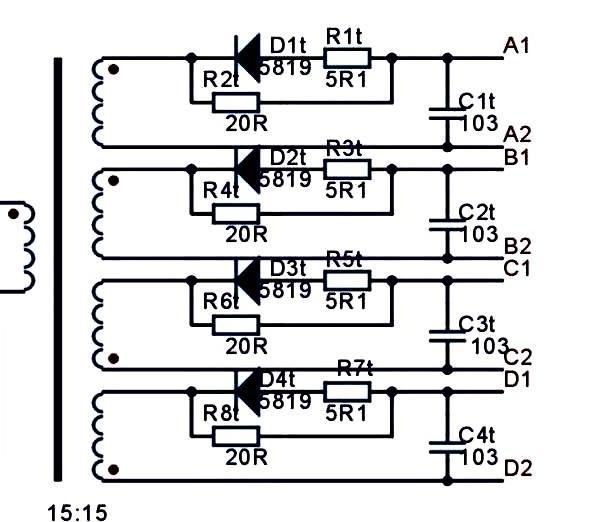
Значит, диод катодом к резистору. Этот резистор на 5.1ом. Резистор, который сразу на затвор идет, номиналом 10ом.
Ну, естественно, резистор 512 - 5.1кОм. Меняйте всё. Конденсатор тоже. Всё на обоих ключах.
Оключите +310 от ключей, чтоб не взорвалось ничего, и посмотрите осцилограммы на затворах. (если такой инструмент имеется)



Ответить с цитированием
Сейчас уже 7 год как на пенсии. Ремонтом почти не занимаюсь(берегу глаза) Да насчет осцылограмы,

