+ Ответить в теме
Страница 1 из 2 1 2 ПоследняяПоследняя
Показано с 1 по 10 из 13

Тема: Wester IWT 200

  1. #1
    Зарегистрированный
    Регистрация
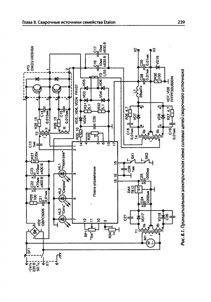
    23.02.2018
    Адрес
    Дунаевцы
    Сообщений
    8
    Сказал(а) спасибо
    1
    Поблагодарили 0 раз(а) в 0 сообщениях

    Wester IWT 200

    Ремонтом электроники занимаюсь давно, но со сварочниками пока не стыкался.
    Помогите со схемой Wester IWT 200.

  2. #2
    Зарегистрированный
    Регистрация
    19.09.2014
    Адрес
    Черкассы
    Сообщений
    61
    Сказал(а) спасибо
    2
    Поблагодарили 11 раз(а) в 10 сообщениях
    Фото виложіть плат.

  3. Максимальні знижки на зварювальні апарати Патон для учасників форуму!
    Всім учасникам та відвідувачам форуму додаткова знижка на зварювальні апарати Патон.
    Для отримання знижки зателефонуйте за одним із номерів і скажіть, що ви з форуму.
    (097) 591-29-90, (099) 406-30-49

  4. #3
    Зарегистрированный
    Регистрация
    23.02.2018
    Адрес
    Дунаевцы
    Сообщений
    8
    Сказал(а) спасибо
    1
    Поблагодарили 0 раз(а) в 0 сообщениях
    Нажмите на изображение для увеличения
Название: IMG_20180227_120232[1].jpg
Просмотров: 289
Размер:	117.3 Кб
ID:	7198Нажмите на изображение для увеличения
Название: IMG_20180227_120311[1].jpg
Просмотров: 259
Размер:	164.8 Кб
ID:	7199Нажмите на изображение для увеличения
Название: IMG_20180227_120319[1].jpg
Просмотров: 276
Размер:	174.5 Кб
ID:	7200Нажмите на изображение для увеличения
Название: IMG_20180227_120446_HDR[1].jpg
Просмотров: 272
Размер:	146.6 Кб
ID:	7201

  5. #4
    Зарегистрированный Аватар для Semivosa
    Регистрация
    31.01.2014
    Адрес
    Винница
    Сообщений
    1,429
    Сказал(а) спасибо
    1
    Поблагодарили 273 раз(а) в 248 сообщениях
    від ресанти має чапстково підійти схема.http://soundbarrel.ru/bit_tehnika/resanta/Sh_1.jpg крім дежурки
    Ремонт силовой электроники.Канал в ютуб(https://www.youtube.com/channel/UCmM...JpEY0026f0OUOA)

  6. #5
    Зарегистрированный
    Регистрация
    23.02.2018
    Адрес
    Дунаевцы
    Сообщений
    8
    Сказал(а) спасибо
    1
    Поблагодарили 0 раз(а) в 0 сообщениях
    Малоинформативно. Имеются детали номинал которых не прочитать... Да исобственно дежурка как-раз и не работает.
    Последний раз редактировалось OlegKoval; 28.02.2018 в 12:41.

  7. #6
    Зарегистрированный
    Регистрация
    19.09.2014
    Адрес
    Черкассы
    Сообщений
    61
    Сказал(а) спасибо
    2
    Поблагодарили 11 раз(а) в 10 сообщениях
    Нажмите на изображение для увеличения
Название: 4567г.jpg
Просмотров: 451
Размер:	121.3 Кб
ID:	7202посмотрите ету схему.Нажмите на изображение для увеличения
Название: 56еапп.jpg
Просмотров: 451
Размер:	139.7 Кб
ID:	7203

  8. Пользователь сказал cпасибо:

    OlegKoval (02.03.2018)

  9. #7
    Зарегистрированный Аватар для Semivosa
    Регистрация
    31.01.2014
    Адрес
    Винница
    Сообщений
    1,429
    Сказал(а) спасибо
    1
    Поблагодарили 273 раз(а) в 248 сообщениях
    Без обид,но дежурка на трансформаторе,проверить как бы не сложно.
    Ремонт силовой электроники.Канал в ютуб(https://www.youtube.com/channel/UCmM...JpEY0026f0OUOA)

  10. #8
    Зарегистрированный
    Регистрация
    23.02.2018
    Адрес
    Дунаевцы
    Сообщений
    8
    Сказал(а) спасибо
    1
    Поблагодарили 0 раз(а) в 0 сообщениях
    Обиды нет, я по правде дядьке своему помогаю (схему ищу) он его сам ремонтирует. Старый мастер еще в телемастерской при советах работал, а вот с компом не дружит... я тут с его слов веду беседу.

  11. Спеціальна пропозиція для учасників та відвідувачив форуму - знижка на напівавтомати PATON! Для отримання знижки зателефонуйте за одним із номерів і скажіть, що ви з форуму: (097) 591-29-90 чи (099) 406-30-49 Обирай Патон!

  12. #9
    Зарегистрированный
    Регистрация
    23.02.2018
    Адрес
    Дунаевцы
    Сообщений
    8
    Сказал(а) спасибо
    1
    Поблагодарили 0 раз(а) в 0 сообщениях
    Откуда схемки? Я бы хотел всех посмотреть...

  13. #10
    Зарегистрированный
    Регистрация
    19.09.2014
    Адрес
    Черкассы
    Сообщений
    61
    Сказал(а) спасибо
    2
    Поблагодарили 11 раз(а) в 10 сообщениях
    Схему в интернете нашол.Схема дежурки там простая ,если она подходит к сварочнику.

+ Ответить в теме
Страница 1 из 2 1 2 ПоследняяПоследняя

Ваши права

  • Вы не можете создавать новые темы
  • Вы не можете отвечать в темах
  • Вы не можете прикреплять вложения
  • Вы не можете редактировать свои сообщения