Вложений: 12
Форма сигнала Ресанта220А
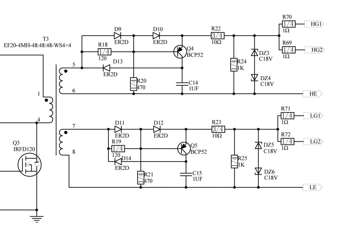
Здравствуйте форумчане! ресанта 220А плата GP171 при осмотре обнаружил пробитый один транзистор в одном плече и пробитый один транзистор в другом плече 50JR22
(TOSHIBA).Что странно кроме пробитых этих ключей по одному на каждом плече,ни чего пробитого я не обнаружил.Все драйверные части можно сказать вылизал.Все в порядке.
Транзисторы поставил все 4 такие же.Аппарат запустился.Под нагрузкой еще не проверял.Мои замеры осциллограммы сделаны впаянным транзистором со снятым высоким напряжением.
Плата управление-центр луча 0 вход открытый вольт на деление 2,развертка 5мксВложение 10191
Плата управление-центр луча 0 вход открытый вольт на деление 2,развертка 2мксВложение 10192
ТГР вход-центр луча 0 вход открытый вольт на деление 2,развертка 5мксВложение 10193
ТГР вход-центр луча 0 вход открытый вольт на деление 2,развертка 2мксВложение 10194
ТГР выход нижнего плеча-центр луча 0 вход открытый вольт на деление 2,развертка 5мксВложение 10195
ТГР выход нижнего плеча- центр луча 0 вход открытый вольт на деление 2,развертка 2мксВложение 10196
ТГР выход верхнего плеча- центр луча 0 вход открытый вольт на деление 2,развертка 5мксВложение 10197
ТГР выход верхнего плеча -центр луча 0 вход открытый вольт на деление 2,развертка 2мксВложение 10198
Затвор ключа нижнего плеча- центр луча 0 вход открытый вольт на деление 2,развертка 5мксВложение 10199
Затвор ключа нижнего плеча-центр луча 0 вход открытый вольт на деление 2,развертка 2мксВложение 10200
Затвор ключа верхнего плеча-центр луча 0 вход открытый вольт на деление 2,развертка 5мксВложение 10201
Затвор ключа верхнего плеча-центр луча 0 вход открытый вольт на деление 2,развертка 2мксВложение 10202
Суть вопроса не мог найти конкретного виновника выхода из строя силовых ключей.Большая просьба к знатокам все ли в порядке в моем случае с этими осциллограммами или нет.