Первая помощь для китайца по схемотехнике Ресанта САИ-250
Приветствую форумчан,
для начала немного истерики и просьба направить куда двигаться, завтра выложу фотки
Имею китайский сварочный инвертор, желтый, думаю не суть название, он "трехэтажный", на просторах интернета полно таких с разнообразными названиями,
объединяет их аббревиатура MMA-250
ездил сегодня к сварщикам за уроком сварных работ... привез свой инвертор, вчера я им варил, все было нормально...
тут подключаем клему "-" к их сварочному столу, аппарат в сеть, и при "вкл" раздается взрыв, с дымом...
для какого-то черта аппарат ребята включили повторно, индикатор загорелся, пробовали что-то тыкать электродом но аппарат погас...
вскрытие показало:
1) тоненькая дорожка от выводов клемы "-" сожжена, т.е. там идет шина и от нее печатная дорожка на плате, вот она и сгорела
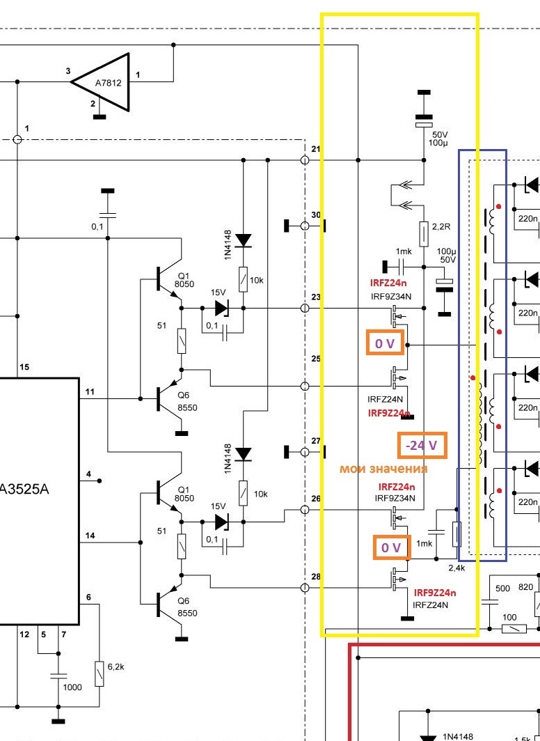
2) оторвало ноги высоковольтному конденсатору, который 472M 3kV по схеме их 2шт подключены к выводам по плечам и общая их точка к радиатору силовых элементов
3) погорела пара транзисторов IRF9Z24N и IRFZ24N, их там 2 такие пары, я выпаял все, буду менять
4) оторвало ногу резистору 2,4k который к этим транзисторам подключен
Я думаю на столе был какой то потенциал от другого сварочника, а воткнули в общую сеть...
Вопрос в том, будет ли достаточно поменять описные мной детали, и потом уже через лампочку попробовать стартануть аппарат, или все таки нужно искать еще мертвяки?