Вложений: 6
Ищу схему платы управления от Zojan Mini MMA-250
Здравствуйте. Ищу схему платы управления от Zojan Mini MMA-250. Можно всю схему.
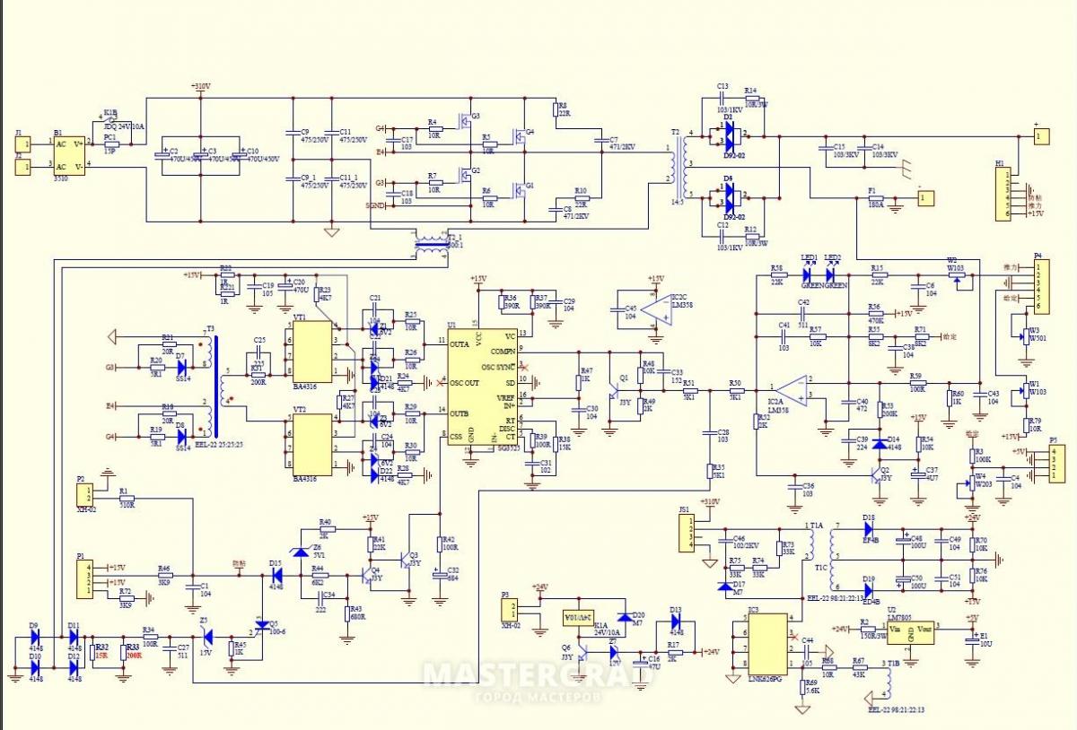
Полумост, соотв. ток небольшой - ампер 130.
Очень мелкий корпус - 88х200х120 мм. Хозяин хвалил. Его б/м интенсивно использовали на производстве месяца 4. Кончилось тем, что плату перемкнуло пылью от болгарки. Там у них все сварочники от этого страдают.
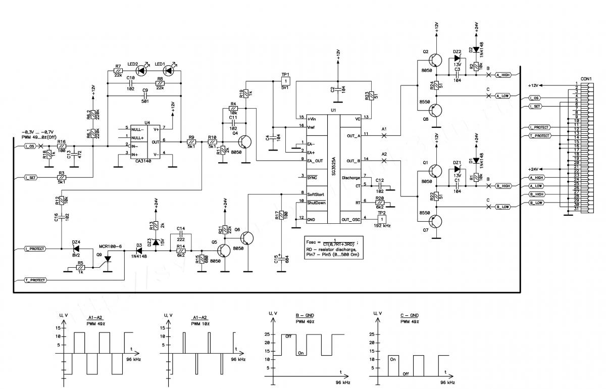
Плата управления подгорела. Почти все ее компоненты - СМД. Так, ТГР(драйверный транс 19 мм) раскачивают 2 двойных полевика в корпусах SO8. Скорее всего - IRF7105.
Драйвер пассивный, как во всех аппаратах типа "этажерка".
Служебный БП с трансом 19 мм, на микросхеме DIP8 без одной(3) ноги, похожа на LNK3206.
Конструкция довольно удачная, так что скорее всего продается и под другими марками.
+недавних полумостов я видел несколько под разными названиями. Мож., схемы подойдут и от них.
Насчет облезлых дорожек не напрягайтесь - знаю, что прошибло по 300 В.
Вложение 11078
Вложение 11079
Вложение 11080
Вложение 11081
Вложение 11082
Собссно плата управления
Вложение 11083
Если кто хотя бы знает названия сварочников с драйверами на 2 полевиках в корпусах SO8, сообщите. Мож., подойдут другие схемы полумостов. От косых мостов оные отличаются тороидальными трансами.
И ИЖБТ - 2 шт. в отличие от в полном мосте типа этажерки.
Кста, схемы типа этажерки я встречал и на одной плате.