Помогите ,пожалуйста, найти схему "Gerrard MMA-250"
Вид для печати
Помогите ,пожалуйста, найти схему "Gerrard MMA-250"
а фото?
У меня совпала такая
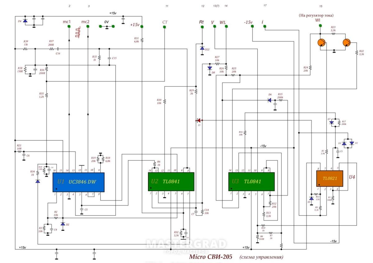
Сварочный Джерард 200 подскажите номинал конденсатора частотозадающего на плате обозначен как C 54 стоит на 8 ноге uc3846 и идет на 10ногу TL084
чистота была около 200КНz при выпайке он развалился . судя по схеме ZX-7 там 5.5nF , но в Джерарде по RT цепи 9 нога другова номинала резисторы стоят
в другой схеме что у меня есть 8 нога 3846 вообще на прямую идет на 10 ногу TL084 . Вложение 11893Вложение 11894Вложение 11895
Какая-то каша...
В ZX-7 разве 3846???
Какой номинал резистора у Вас в частотозадающей цепи?
Какие транзисторы стояли?
В конце концов можно посчитать витки первички СТ и прикинуть, на какой частоте это должно работать.
9 нога , 20к и 6,8к параллельно , транзисторы 40n60 , вот такая схема но тут не хватает конденсатора CT Вложение 11896
вот схема ZX-7Вложение 11897 тут другие номиналы RT
на одной схемке нашел RT - 4k3 ( у вас около 5к), а СТ - 472 - 4,7n
Разработчики со странностями... Получается 5,075 кОм, можно было поставить один 5,1 кОм... Если поставите конденсатор 4n7, частота будет меньше 100 кГц на генераторе, то есть меньше 50 кГц на каждом ключе. Насколько меньше не знаю, реально измеренная частота у этих микросхем не совпадает с формулой из даташита... По формуле при таких номиналах - 83 кГц. Думаю в самый раз.
тогда , наверно, ставить С 4n7 и R заменить на 4к3 как в схеме, и будет работать........