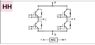
Здраствуйте мастера и форумчане у кого нибуть попадался такой модуль IGBT GT50HH60A1HD в сварочном аппарате на ремонт. В данном случае название аппарата PUNAIR MIG 350.В нем 3 режима ARC>MIG>LIFT TIG. На модуль даташит не нашел Я.Может кто сталкивался с таким модулем переделывал на транзисторы?


Ответить с цитированием
