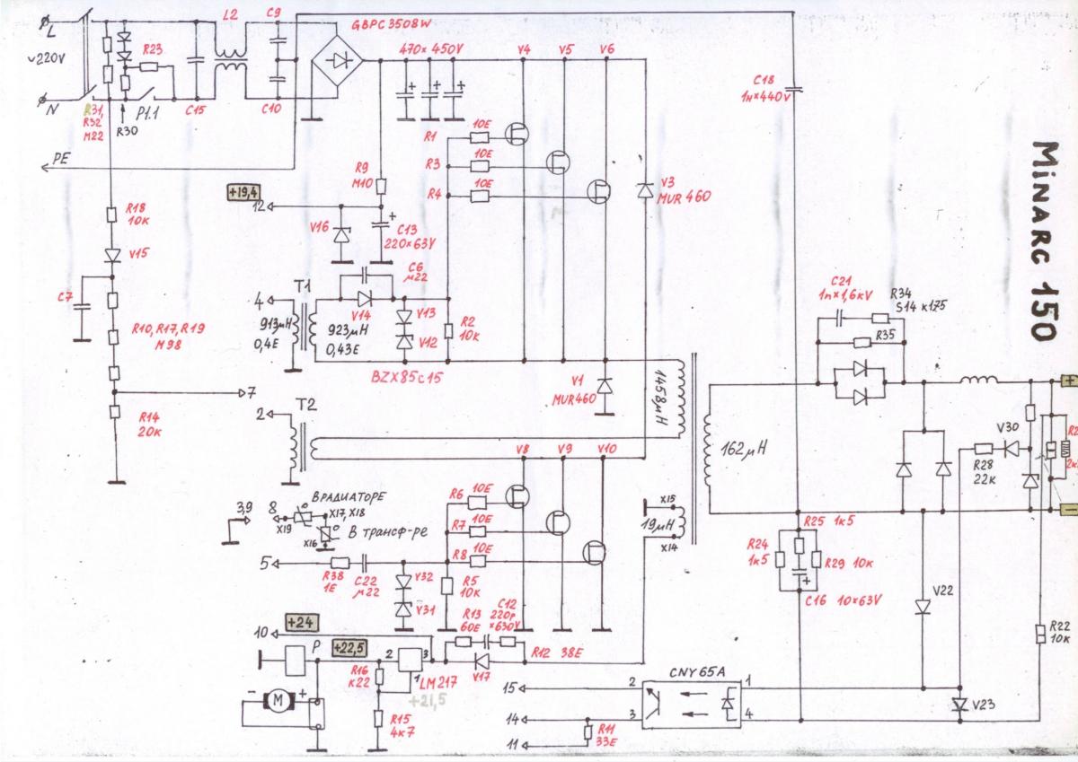
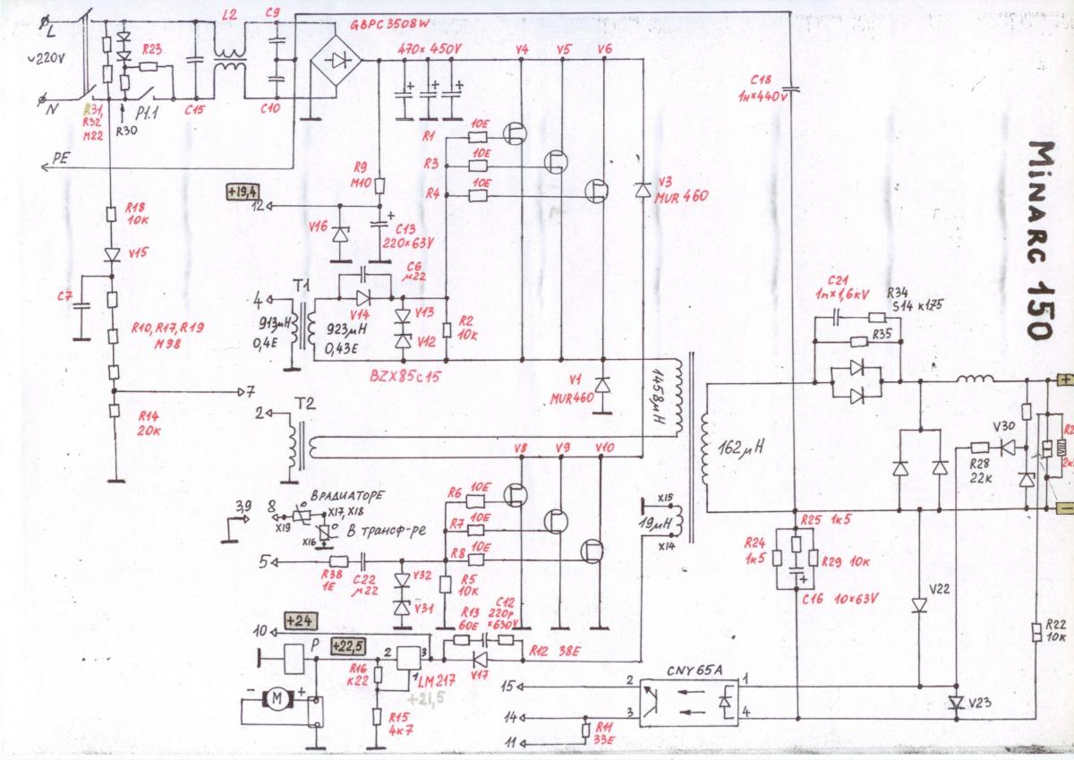
Не знаю где делалось это д....Мinarc150, но такие ошибки это уж слишком. Сижу сейчас на работе, нет возможности сфотографировать это.Короче, кто в теме поймёт .
Этот аппарат сделан по топологии косого моста.Так вот нижний обратный диод был включен своим минусом не на эммитеры транзисторов верхнего плеча, а на коллекторы нижнего плеча , просто обратно транзистору(как внутренние обратные диоды в транзисторах).
Трансформатор получается не размагничивался и входил в насыщение. Я удивляюсь ,как он работал.Регулярно взрывался," не понятно" по какой причине.Как такое может быть. Известная фирма. Я так понял, что ошибся разработчик печатной платы.
Я сначала не поверил своим глазам, всё перепроверил, потом был в шоке. До меня дошло наконец, почему он взрывается.


Ответить с цитированием

