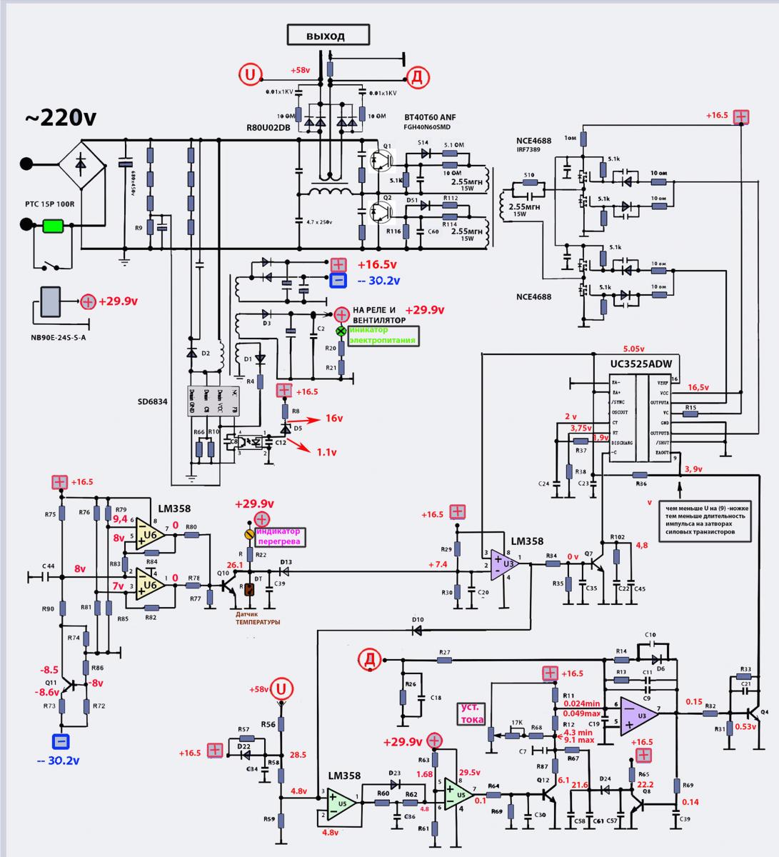
Здравствуйте! Всех с Новым Годом!Сварочный инвертор MMA 180N(wert) не было напряжения на выходе.Силовые транзисторы были
целыми.На одном из транзисторов на затворе была какая то не понятная форма сигнала,а на втором вообще ноль. У шим контроллера UC3525ADW
прямоугольный сигнал 11н. и 12н. наблюдалось.В отличии от 12н. на 11н. форма сигнала отличался меньшей амплитудой.Начал следить за формой
сигнала до полной потери,и наткнулся на транзисторные сборки 4688. С 11н шимконтроллера UC3525ADW доходило до транзисторной сборки,
а после по нулям.И заметил ощутимый нагрев транзисторной сборки 4688.Обнаружен пробой в выводах 3 (S1) 4-5(D1) P-channel
https://datasheetspdf.com/pdf-file/1...ctor/NCE4688/1 Суть вопроса такова по всем магазинам прошел где продают
радиодетали,сроду такого не видели.С Китая ждать долго,посоветуйте пожалуйста чем его можно заменить,не мог подобрать аналог.Заранее благодарю!
![]()


Ответить с цитированием

