Доброго дня!
Сделан на шим UC3846 плюс две TL и 14584,14066. Схемы нет.
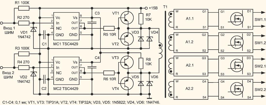
Схема розкачки ключей очень похожа на приведенном фото.
Аппарат пришел с кз ключами и кз одного драйвера по выходу.
Детали заменил, тгр перемотал.
Мне не нравится форма импульсов на затворах ключей.
На входа драйверов с шима импульсы идеальные.На первичке тгр импульс со скошенным спадом.Естественно тоже самое на затворах.
Пробовал намотать на другом сердечнике(с ATX) две обмотки по 15 витков ,грузил 10ом (дымит резистор)и 200ом форма импульсов не меняется.
Пробовал сделать не магнитный зазор - спад косой как на фото.
Осцылограмма при 5мкс и 5в/дел.
Перечитал ,пересмотрел все что касается тгр,что то нет больше идей.![]()


Ответить с цитированием

