+ Ответить в теме
Показано с 1 по 6 из 6

Тема: ИНВЕРТОР ДОН-200

  1. #1
    Зарегистрированный
    Регистрация
    10.10.2011
    Адрес
    РОСТОВ
    Сообщений
    1
    Сказал(а) спасибо
    0
    Поблагодарили 0 раз(а) в 0 сообщениях

    Angry ИНВЕРТОР ДОН-200

    ищу схему сварочного инвертора дон-200 производства азов.

  2. #2
    Зарегистрированный
    Регистрация
    06.07.2011
    Адрес
    kiev
    Сообщений
    398
    Сказал(а) спасибо
    306
    Поблагодарили 103 раз(а) в 74 сообщениях
    щас придет злой дядя админ, и скажет
    гони фото, а то не дам схему
    посему, загрузите фото аппарата
    внешне и изнутри

  3. Максимальні знижки на зварювальні апарати Патон для учасників форуму!
    Всім учасникам та відвідувачам форуму додаткова знижка на зварювальні апарати Патон.
    Для отримання знижки зателефонуйте за одним із номерів і скажіть, що ви з форуму.
    (097) 591-29-90, (099) 406-30-49

  4. #3
    Зарегистрированный
    Регистрация
    28.01.2011
    Адрес
    Запорожье
    Сообщений
    419
    Сказал(а) спасибо
    45
    Поблагодарили 308 раз(а) в 141 сообщениях
    интересный инвертор — тем, что производится, якобы в России, г. Азов, а стоит дешевле самый китайских:

    http://rostov.pulscen.ru/products/in...pparat_5036680

    очень интересно было бы посмотреть на его внутренности...

    вообще, мне кажется, что единственным способом получить схему будет связаться с ООО "Интера", которая этот инвертор делает.

    здесь контакты: http://svarka-tut.pul.ru/tov/descr/5292424?r_page=2

    г. Ростов-на-Дону, ул. Таганрогская, 144
    +7 (863) 276-96-13 Отдел работы с юр.лицами
    intera61@mail.ru


    схему вам, конечно, вряд ли дадут, но отремонтировать помогут — пообещайте широкое информационное освещение вопроса
    Последний раз редактировалось svarschik; 11.10.2011 в 00:09.

  5. #4
    Зарегистрированный
    Регистрация
    16.05.2013
    Адрес
    Ростов на Дону
    Сообщений
    2
    Сказал(а) спасибо
    0
    Поблагодарили 0 раз(а) в 0 сообщениях

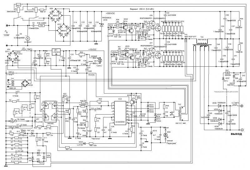
    Ответ от производителя сварочных аппаратов Дон

    Нажмите на изображение для увеличения
Название: DON200-2010.jpg
Просмотров: 10744
Размер:	90.2 Кб
ID:	1610
    Цитата Сообщение от svarschik Посмотреть сообщение
    интересный инвертор — тем, что производится, якобы в России, г. Азов, а стоит дешевле самый китайских:

    http://rostov.pulscen.ru/products/in...pparat_5036680

    очень интересно было бы посмотреть на его внутренности...

    вообще, мне кажется, что единственным способом получить схему будет связаться с ООО "Интера", которая этот инвертор делает.

    здесь контакты: http://svarka-tut.pul.ru/tov/descr/5292424?r_page=2

    г. Ростов-на-Дону, ул. Таганрогская, 144
    +7 (863) 276-96-13 Отдел работы с юр.лицами
    intera61@mail.ru


    схему вам, конечно, вряд ли дадут, но отремонтировать помогут — пообещайте широкое информационное освещение вопроса
    Аппараты Дон производятся в России.
    Это на Китайские сильно задрали цены, а реальный выдаваемый ток сварки опустили.
    Кому надо схему добавили, но они немного разные по годам. 89289091822@mail.ru
    Также можно найти на сайте схему и плату http://magnity.storeland.ru/
    Последний раз редактировалось t2466403; 16.05.2013 в 23:53.

  6. #5
    Супермодератор Сварщик
    Регистрация
    21.12.2011
    Адрес
    Венеция
    Сообщений
    60
    Сказал(а) спасибо
    44
    Поблагодарили 39 раз(а) в 21 сообщениях
    Цитата Сообщение от melnechenko Посмотреть сообщение
    щас придет злой дядя админ, и скажет
    гони фото, а то не дам схему
    посему, загрузите фото аппарата
    внешне и изнутри
    И вправду! Ребята когда просите схему, выкладывайте сразу фото внутренностей очень просим!!!
    Почему-то 90% "искателей схем" это забывают и господину Andt61 всегда приходиться просить фото в студию

  7. #6
    Супермодератор Сварщик
    Регистрация
    21.12.2011
    Адрес
    Венеция
    Сообщений
    60
    Сказал(а) спасибо
    44
    Поблагодарили 39 раз(а) в 21 сообщениях
    Цитата Сообщение от kea273 Посмотреть сообщение
    ищу схему сварочного инвертора дон-200 производства азов.
    Нажмите на изображение для увеличения
Название: don200-2010.jpg
Просмотров: 24730
Размер:	85.3 Кб
ID:	1603

    Схема взята с сайта: http://magnity.storeland.ru/

+ Ответить в теме

Ваши права

  • Вы не можете создавать новые темы
  • Вы не можете отвечать в темах
  • Вы не можете прикреплять вложения
  • Вы не можете редактировать свои сообщения