+ Ответить в теме
Показано с 1 по 4 из 4

Тема: Ищу схему на "Прометей 200"

Комбинированный просмотр

  1. #1
    Зарегистрированный Начинающий сварщик
    Регистрация
    11.01.2012
    Адрес
    Саратов
    Сообщений
    10
    Сказал(а) спасибо
    2
    Поблагодарили 0 раз(а) в 0 сообщениях

    Ищу схему на "Прометей 200"

    Помогите пожалуйста найти схему на сварочный инвертор "Прометей 200".

  2. #2
    Зарегистрированный Опытный сварщик Аватар для Andt61
    Регистрация
    27.06.2011
    Адрес
    Донецк
    Сообщений
    541
    Сказал(а) спасибо
    2
    Поблагодарили 89 раз(а) в 87 сообщениях
    Фото внутренностей хотелось бы увидеть...

  3. Максимальні знижки на зварювальні апарати Патон для учасників форуму!
    Всім учасникам та відвідувачам форуму додаткова знижка на зварювальні апарати Патон.
    Для отримання знижки зателефонуйте за одним із номерів і скажіть, що ви з форуму.
    (097) 591-29-90, (099) 406-30-49

  4. #3
    Зарегистрированный
    Регистрация
    23.06.2012
    Адрес
    Энгельс
    Сообщений
    1
    Сказал(а) спасибо
    0
    Поблагодарили 0 раз(а) в 0 сообщениях
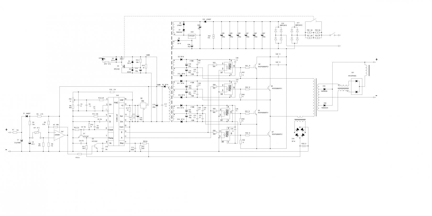
    Нажмите на изображение для увеличения
Название: прометей 200.jpg
Просмотров: 8539
Размер:	89.2 Кб
ID:	793Нажмите на изображение для увеличения
Название: прометей 200.jpg
Просмотров: 8539
Размер:	89.2 Кб
ID:	793

  5. #4
    Зарегистрированный
    Регистрация
    12.09.2012
    Адрес
    Волгоград
    Сообщений
    2
    Сказал(а) спасибо
    0
    Поблагодарили 0 раз(а) в 0 сообщениях
    Уважаемый САША, при ремонте аппарата Прометей-200 2008 г. вып. возникла необходимость в принципиальной схеме .Нашёл только на этом форуме не могли бы Вы выложить её в более высоком качестве (читается плохо). Заранее сильно благодарен.

+ Ответить в теме

Ваши права

  • Вы не можете создавать новые темы
  • Вы не можете отвечать в темах
  • Вы не можете прикреплять вложения
  • Вы не можете редактировать свои сообщения