Вложений: 5
ПА Днепр ДИСП-190 (3846 CD4053)
Всем привет. Лихо поварили. Сила все 4 ключа сгорели, сгорели до коротыша LM324,CD4053, диод в токовом трансе. При нажатии на кнопку проматывания проволоки - проматывает. при нажатии на кнопку в рукаве только клацает клапан. Нет запуска ШИМ.
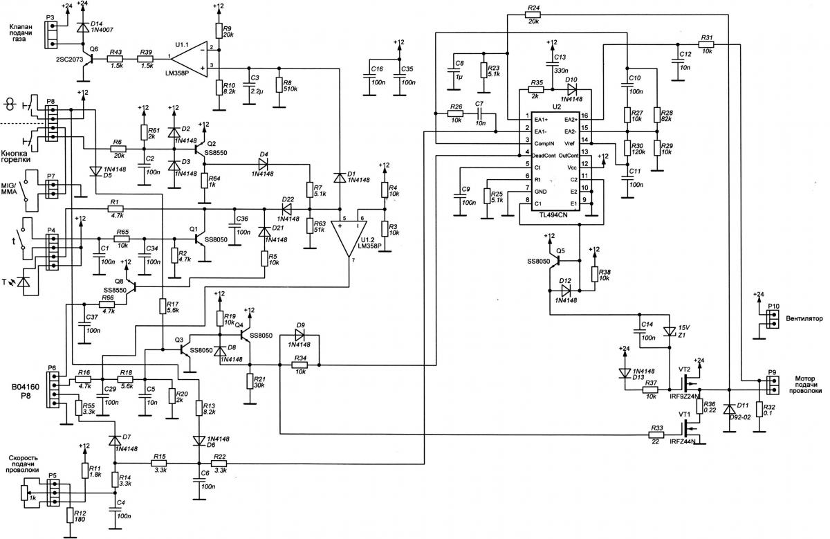
Если подать +5В на 13 ногу LT084 - ШИМ заводится, картинки хорошие.
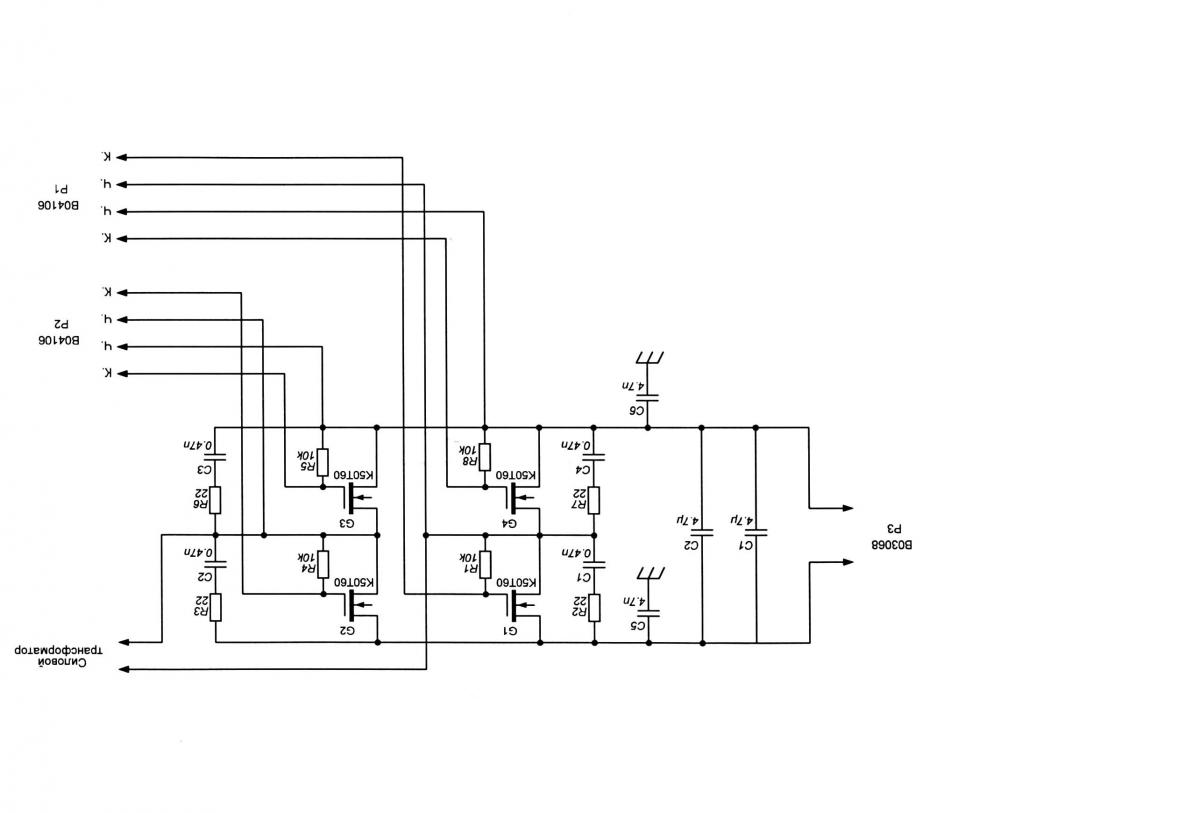
Мне нужна схемка, где есть этот CD4053, а то что то не пойму, почему ШИМ не пускается от кнопки и движек никаких попыток не делает
Кусочек схемы как у меня https://weld.in.ua/forum/album.php?a...achmentid=3166
Вложение 10070Вложение 10071Вложение 10072Вложение 10073Вложение 10074