Вложений: 2
VEGA MMA-240mini, установка доп. транзисторов
Здравствуйте ув. форумчане. Достался в подарок утопленник. Восстановил. На плате есть разводка под вторую пару ключей.
Вложение 9735
Ключи имею, той же партии, что и установленные. Хотел бы узнать ваше мнение, потянет ли дежурка/драйвера.
Об аппарате: ключи 40T65FDSC, обвязка затвора минимальная (емкость неизвестна)
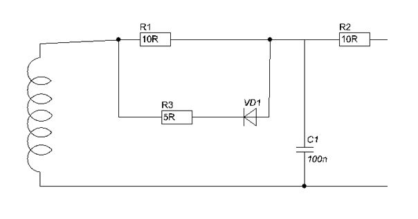
Второй затвор идет через резистор 10R к аноду диода....
Вложение 9734
Дежурка LNK52.... дальше не читаемо... Как будто LNK525
Ключи в развязке 4688
Собственно, сварочного тока хватает, только сеть бывает сильно просаживается ( 160 вольт бывает), вот и переживаю за силовую часть.
В даташите не нашел (или плохо искал) информации о возможностях ключа при 50кгц. Не думаю, что ток с "запасом" будет,
так как ценник весьма демократичный. И, такие же ключи стояли. Поэтому их и покупал.
Если есть какие мысли, поделитесь пожалуйста.