Всем доброго времени суток. В указанном аппарате вылетела дежурка. Почистил, снял сгоревшее, проверил вторичные цепи. Вопрос по стабилитрону в цепи затвора полевика FQPF4N90C - на какое он напряжение? Корпус SOD-80, голубая полоска.
Вид для печати
Всем доброго времени суток. В указанном аппарате вылетела дежурка. Почистил, снял сгоревшее, проверил вторичные цепи. Вопрос по стабилитрону в цепи затвора полевика FQPF4N90C - на какое он напряжение? Корпус SOD-80, голубая полоска.
обычно 18В
И ещё вопрос. Стоит 2 конденсатора силовых 470*400В, а мест на плате три. Если я поставлю третий - чем это грозит? Схема мягкого запуска не накроется, ключи выдержат?
надо или считать или экспериментировать. Вы что выбираете?
наберите в поиске Расчет конденсаторов шины питания мощных преобразовательных устройств, почитайте.
Наверно, я всё оставлю как есть. А то клиент может не понять моего желания "сделать как лучше".
Та да, хорошие кондеры не бесплатны, проверьте емкость и если все в норме - оставьте как есть
А как их проверить? У меня нет прибора, что бы конденсаторы такой емкости измерить.
Вот схему нарыл в Инете. Дежурка почти как у моего инвертора. Так там стабилитрон на 20В. Наверное такой поставлю.
Вложение 9628
Стоит 2 конденсатора силовых 470*400В, а мест на плате три. Если я поставлю третий - чем это грозит? Схема мягкого запуска не накроется, ключи выдержат? - Это очень часто вместо 3-х - два, вместо 4-х стоит 3. Это зависит от схемы плавного пуска, то есть от установленных элементов и их номиналов. Ключам что 2 что 3 что 4 - ток через них ограничен схемой управления.
А как их проверить? У меня нет прибора, что бы конденсаторы такой емкости измерить. Нет прибора - не заморачивайтесь. Сварка варит, ток выдаёт, регулирует - значит окей. Если ремонтом занимаетесь то ESR метр сделайте или купите.
Это защитный стабилитрон - нпряжение затвора как правило плюс - минус 30 вольт. Амплитуда импульса с ШИМ не может быть больше её питания, а оно в рабочей схеме в пределах 20-ти вольт это максимум. Поэтому хоть 20 хоть 25 хоть вообще без него результат один - будет работать.
Трудно сказать, что я занимаюсь ремонтом инверторов. Один-два в год.
Понятно.
Требуется помощь форума. Греется полевик в дежурке, сильно. Если запитываю только шимку UC3843B то всё ОК, осциллограмы красивые, только пила на 4 ножке чуть дёргается. Частота на выходе стабильно 60 кГц. Если включаю дежурку полностью, то на затворе полевика вот такое творится и частота плавает.
Как то так
Импульсный трансформатор поменял, частотозадающий конденсатор тоже, снаберную цепь проверил. Вроде всё ОК, а результата нет.
Спасибо, но я уже это всё перечитал. Сейчас сниму микросхему, ещё раз проверю обвязку и поставлю другую микросхему, вдруг эта бракованная. Других идей пока нет.
Смотрим осциллографом, что творится на 5 и 3 ноге, оттуда делаем выводы дальше.
И что со вторичными напряжениями, тоже интересно.
Снабберный диод может звониться нормально, но иметь утечку.
Кроме полевика, что-то греется? Какой стоял и какой поставили?
5 это общий, а на 3 не смотрел. Вторичные в норме. Греется только транзистор 4N90C, такой стоял и такой поставил. Снаберный диод поменяю.
На 3 относительно 5, сформулировал не совсем понятно... Потребителей по вторичным цепям по возможности исключить.
И, если не сложно, фото трансформатора, крупным планом сверху.
А что в нём интересного?
В этом - действительно ничего.
Когда в каркасе есть разрез, через который видно обмотки, при проблемах с трансформатором - там как будто пена из лака выступила и застыла. Это от нагрева, других признаков вообще не видно.
В Вашем случае - не посмотреть. Может со стороны выводов проступать...
Трансформатор чистый, я проверял.
- выражайтесь радиотехническими терминами - чистый от пыли что ли. На главной странице форума в разделе Ищу схему есть все данные на трансформатор. Я вам дал ссылку на описанние серии ШИМ - 3842-3845 и что? У вас спросили что творится на 3 ноге - осциллограмма? - если там будут присутствовать импульсы размахом больше 1 вольта, значит блок питания постоянно будет работать в ограничении то есть это значит что через транзистор идёт максимальный ток - значит неисправность по горячей стороне или блок перегружен по выходу. Это может быть и из за трансформатора. Кстати там есть фото транса - вот и сравните их - о чём Xort01 написал.
Николаевич, Xort01 писал о вскипании лака в трансформаторе - как это обозначить радиотехническим термином? Он описал процесс, я написал, что трансформатор чистый. По моему всё понятно.
Сварку я уже сделал, была неисправна оптопара. Наверное плохо проверял, не знаю. Теперь на любых токах липнет электрод, хозяин говорит, что так и было. С этим как то можно бороться? Там есть регулятор минимального тока, может добавить немного?
Понял на счёт "трансформатор чистый". Теперь на любых токах липнет электрод, хозяин говорит, что так и было. - смысла добавлять то, если аппарат на любых токах липнет электрод. В вашем аппарате есть по выходу дроссель? И схема выходного какая? мост или косой ? если конечно косой , то дроссель должен быть.
Схема - полный мост, тороидальный трансформатор, дросселя нет.
С дросселем на выходе поджиг будет намного лучше и дуга мягче. Он варит как то "жостко". Ремонтировал такой с другим названием.
Странно как-то... Греется полевик, выходные напруги в норме, а виновен оптрон? Тогда с выходными напряжениями должны были быть не лады... Странно.
С дроссельком на выходе, конечно повеселее.
Странно как-то... Греется полевик, выходные напруги в норме, а виновен оптрон? Тогда с выходными напряжениями должны были быть не лады... Странно. - так отож - может он ошибся или.... при прогреве какая то деталюшка восстановилась - когда БАХ дежурки много выгорает и оптрон я выпаиваю и проверяю на приспособе - копеешная деталь, а всё же интересно сгорела или нет:)
подстроечник ближе к диодному мосту регулирует поджиг, может от этого липнет. Но вообще балласт с амперметром нужен когда крутишь подстроечники.
Балласта у меня нет, потому и боязно крутить. Сегодня немножко попробую крутить, если реакции не будет поставлю всё как было. А по поводу выходных напруг, которые были в норме - так я мерял уже после стабилизаторов, перед ними как то не догадался. Да и времени особо не было, транзистор сильно грелся.
У меня есть несколько воздушных тэнов по 1 кВт. на 220В. Их можно прымастырить в качестве балласта для сварочника включив параллельно или никак?
Ответ на вопрос по примастыриванию ТЭНа в качестве нагузки кроется в законе Ома. Измерьте сопротивление ТЭНа и посчитайте какой ток будет идти через ТЭН, который используется в качестве нагрузки. Не хотите считать - скажу сразу не подойдёт:) Может и увидите начальный ток при регуляторе на минимуме и напряжение упадёт, а вот максимальный нет. Если работает - лучше не крутите.
А какое напряжение на выходе инвертора при сварке? Ни разу не измерял.
при сварке на дуге 24-25 вольт в среднем.
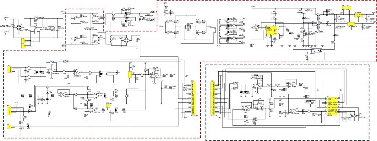
Какой номинал конденсатора на 9 ножке UC3846DW? Пила очень неустойчивая, частота скачет от 70 до 110кГц. Выпаял конденсатор - 5,4nF. Запитана только схема управления.
Какой номинал конденсатора на 9 ножке UC3846DW? - а на 9 ножке разве конденсатор стоит??
Прошу прощения, на 8-ой.
Вложение 9806
наверное это
Спасибо, Николаевич, но трохи не то пальто. Вот тут схема управления 1:1 как у ремонтируемого инвертора. Не могу понять, почему пила скачет. Когда меняю номинал конденсатора на 8 ножке то меняется частота на выходе ШИМ и стоит устойчиво на обеих выходах. А вот на 8 ноге частота хаотически меняется.