Сварочник постоянка-переменка с буферным аккумулятором (хочу собрать).
Хочу сделать универсальный сварочник, с батарейным питанием.
С батарейным по нескольким причинам.
Во первых какая никакая автономность.
Во вторых аккумуляторы под это дело уже есть (с запасом, можно снимать 15кВт долговременно)
В третьих варить можно будет мощно в таких условиях где сеть не позволяет.
(с батареей в роли буфера для её подзарядки любая сеть сойдет)
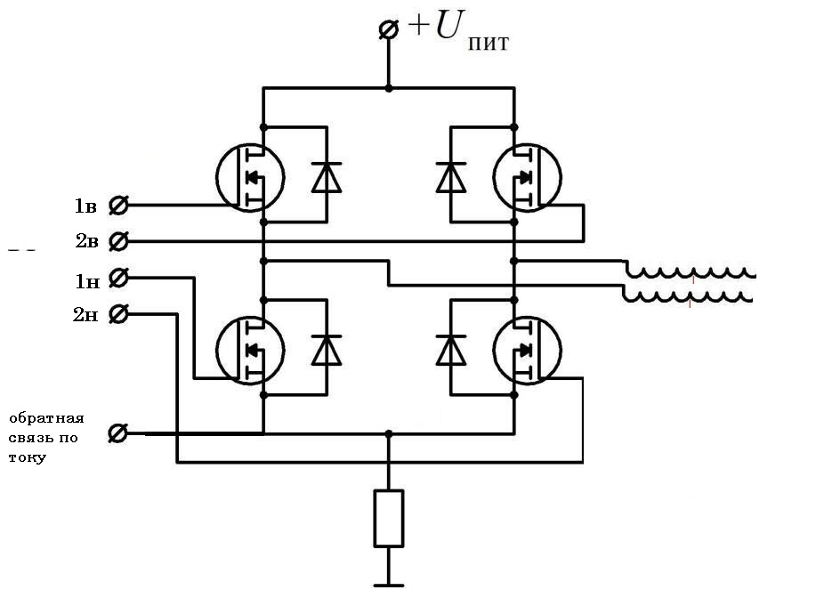
Можно конечно подключить балластник и в путь, но так энергии батареи хватит ненамного, так как на балластнике в тепло уйдет бОльшая часть энергии. И еще хочу варить в том числе переменкой (алюминий, титан...), то встал вопрос правильной схемотехники. Видится полный мост с дросселем на выходе, и ШИМ регулированием тока сварки. Однако прежде чем ввязываться в бой хотелось бы выяснить не изобретаю ли велосипед. В том смысле может уже есть в открытом доступе импульсные схемы на формирователи сварочного тока (в том числе переменного). Рассматриваю даже вариант взять целиком выходную плату с AC инвертора. Так же нужно определится с каким напряжением делать батарею.
В общем, если кто владеет информацией как лучше сделать сварочник с батарейным питанием, и информацию как схемотехнически устроены сварочные инверторы варящие переменкой, я весь внимание. Была шальная мысль сделать батарею на 300 вольт, и подключить к ней любой сварочник, но делать с 300 вольт - 12 вольт сварочных.... как то не по феншую, кроме не лучшего КПД будет большая сложность делать плату защиты для высоковольтной батареи.