Вышел из строя транзистор 9z24
При замене на новый сильно греется
Транзистор управляется с шим uc3846n и работает в паре с z24
Может быть кто подскажет чем может быть причина
Вложение 7423Вложение 7424
Вид для печати
Вышел из строя транзистор 9z24
При замене на новый сильно греется
Транзистор управляется с шим uc3846n и работает в паре с z24
Может быть кто подскажет чем может быть причина
Вложение 7423Вложение 7424
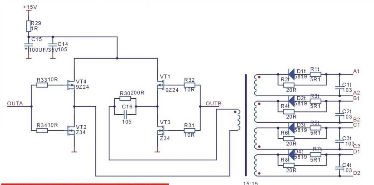
По картинке не понятно где нулевая линия и напряжение на клетку. Может пробит z24 в вертикале с ним.
нулевая линия посередине и 5 вольт на клетку (транзистор управляется отрицательным напряжением)
z24 менял на новый тоже самое
управляющий импульс длится более 50% не могу понять почему
управляющие импульсы почему то на транзисторы 9z24 длиннее чем на z24 хотя если мерить напряжение между OUTA и OUTB (выходы шим контроллера) они одинаковые
Вложение 7425Вложение 7426Вложение 7427
Частота какая?Фото платы там где меняли транзисторы сделайте.
Долго рассматривал картинки и думал: как? Не может такого быть, что с ШИМки сигналы одинаковые, а на раскачке нет... С сигналами всё правильно! В период мертвого времени оба нижних транзистора закрыты, а оба верхних открыты. Поэтому на верхних транзисторах сигнал открытия равен импульсу с ШИМ +мертвое время. А при отключении ТГР транзистор греется? Возможно проблема с одним из драйверов силовых транзисторов.
Аналогично. Смущает то, что греется один транзистор или одна диагональ. Было бы что то с ТГР или драйверами - грелись бы все транзисторы. Мне так думается что в процессе замены транзистора или транзисторов допущена ошибка от ошибок то никто не застрахован. У меня было что пробился один из транзисторов - причём по нему явно видно что он очень перегревался - заменил его и всё окей. Нужно наверное транзисторы все выпаять и проверить, а заодно и затворные резисторы проверить
С длительностью сигналов на транзисторах раскачки всё правильно. Нужно отключить ТГР и посмотреть нагрев. Вместо ТГР можно подключить резистор 1 - 10кОм и посмотреть сигнал на нём. Если видим правильный двух-полярный сигнал, то с раскачкой всё гут и ищем косяк в драйверах силовых транзисторов. А вот если сигнал на резисторе не нормальный, то косяк в раскачке. Деталюшек то не много - 4 резистора и 4 транзистора.
Частота 30 кГц
В схеме обнаружил еще 4 конденсатора между коллектором и эмиттером каждого транзистора
один почему то на 224 (на транзисторе вышедшем из строя) а остальные поменьше на 472
заменил его на 472 - нагрев уменьшился
Взял новые транзисторы (2шт-z24n,2шт-9z24n), проверил, припаял за место старых
Отключил трансформатор ,впаял вместо него резистор 10 кОм, на резисторе померил напряжение осциллографом (на рисунке)
При этом наблюдается небольшой равномерный нагрев всех 4-х транзисторов.
Что то не так) они ведь совсем недолжны нагреваться при нормальной работе?
Вложение 7448
Вложение 7449
С осциллограммой - гут. Ключи раскачки и без ТГР холодными не будут, так что небольшой нагрев - норма. Подключайте ТГР и смотрите осциллограммы на драйверах силовых транзисторов.
А сила то кстати жива? Ну не верю я в просто так подгулявший 9z24n. Думаю подключите ТГР и получите нагрев транзистора на том же месте...
Ну не верю я в просто так подгулявший 9z24n. У меня в полуавтомате такое было - писал выше - вылет одного транзистора со следами перегрева - только заменил транзистор.
Специально замерил пирометром температуру транзисторов после 15 минутного прогрева ( ТОЛЬКО БЕЗ СИЛОВЫХ КЛЮЧЕЙ , осциллограммы в норме ) температура платы в районе силовых ключей 14 градусов, а температура транзисторов 22 градуса, вентилятор отключен. Замер делал сейчас - не лето ещё однако.
Транзистор обнаружил уже в процессе ремонта - начал разрушаться изоляционный лак на транзисторе. При этом сигнал подавался на затворы силовых транзисторов.
При проверке транзистор открывался, но плохо закрывался (показывал сопротивление).
А при нулевом напряжении на затворе уже почти полностью открывался.
Основная неисправность это пробой в силой части конденсатора на 2 киловольта (между коллектором и эмиттером силовых транзисторов) и
видимо по этой причине вышли из строя 4 силовых транзистора fgh40n60.
Подключил опять трансформатор - на нагрев не повлияло никак.
Попробовал сделал отдельную сборку для транзисторов и подключил проводами к основной плате (на рисунке).
Только после этого транзисторы перестали греться (почему не понятно), работали около часа, но без силовых транзисторов.
При этом замерил напряжение с выходов трансформатора где подключаются затворы силовых транзисторов (на разных плечах).
Вложение 7459Вложение 7460Вложение 7461
Шото всё в кучу смешалось. Вы подключили назад ТГР и нагрев раскачки не увеличился, зачем делать отдельную платку?
На отдельной плате они греются меньше из-за индуктивности проводов.
Подключите всё на место и ещё раз проверьте осциллограммы на затворах силовиков. Если всё гут - вперёд менять силовые транзисторы.
На плате они вообще не греются (на ощупь).
Я опасаюсь что от перегрев одного из этих 4-х транзисторов через месяц работы сварочником может привести к выходу из строя силовых транзисторов.
У меня всего один комплект, если выдут из строя то поменять будет нечем. Думаю может вмантировать эту платку и так оставить?
Если эти транзисторы могут при работе нагреватся то почему бы не поставить их тоже на небольшой постоянный обдув для повышения надежности.
В сварочнике есть место в нижней части (поближе к вентилятору).
Провода всего 20 см. мне кажется что этого мало чтобы влиять на работу транзисторов.
Ведь индуктивность трансформатора намного больше индуктивности провода или нет?
20 см - не так уж и мало, дело даже не в индуктивности, а в импульсных токах, наведётся импульс напряжения на затворном проводе и будет вам БАХ. Вы же определили причину выхода из строя силовиков - пробой высоковольтного конденсатора. Кстати в каскаде розкачки могли "подбиться" транзисторы от импульса тока через ТГР. Ну собственно Вам решать - восстанавливать или отдельной платкой ставить.
Транзисторы раскачки греются от наносекундных сквозных токов, от которых не избавиться в такой схеме управления, вынеся их на проводах, Вы добавили индуктивность как по цепям управления, так и по цепи питания. Индуктивность этих проводов сглаживает тычки тока, вот они и греются меньше. Для уменьшения нагрева можно параллельно затворным резисторам поставить диоды, типа 4148. Катодом в затвор 9z24n, анодом в затвор z24n.
Так сквозные токи будут минимизированы. У нас часть сварочников работает с подобной раскачкой и я вдоволь наигрался, пытаясь сделать нагрев минимальным, но он всё-равно будет!
Лучше бы Вы поставили всё на место и ещё раз посмотрели осциллограммы силовых транзисторов, как я Вам и писал.
Вы обратились на форум с вопросом, но не описали причину, а следствие. По доброте душевной люди Вам дают советы, будьте внимательны и последовательны и не занимайтесь самодеятельностью с выносной платой.
Не понятно что в Вашем понимании нагрев раскачки - просто тёплые или горячие?
Что с нагревом раскачки и осциллограммами на силовых транзисторах когда всё стоит штатно?
*При этом замерил напряжение с выходов трансформатора где подключаются затворы силовых транзисторов (на разных плечах).*
Как понять это предложение? Замер на выходных обмотках ТГР или после драйверов??? Судя по картинке на обмотках, а интересует после драйверов.
Хотел бы добавить к температуре нагрева - тёплые или горячие это всё относительно - нужно измерить температуру нагрева, а потом уже говорить перегревается транзистор или нет - перепад в 5-10 градусов по отношению к тому же корпусу можно и пальцем почувствовать. Холодными они однозначно не будут. Нагрузить драйвера силовых транзисторов и смотреть сигналы - если всё нормально впаивать силовые, а то домодернизируемся аппарат и получим гиперболоид.
Так отож. Чиркнул сюда, а теперь хочется, чтобы человек довёл аппарат до ума. Блин, оно по подсказкам диагностируется и ремонтируется за час, если конечно самодельные платки не делать...
Впаял назад транзисторы, переделал все как было)
Все 4 транзистора стали теплыми.
Сигнал снимаю прямо где впаиваются силовые транзисторы (G,E - боковые ножки транзистора)
После переделки и подключении затворов силовых транзисторов сигнал немного ровнее (на рисунке)
Мерил на каждом транзисторе - везде одинаковый.
Вложение 7464
Вот что еще хотел спросить. На эти транзисторы (9z24) подается напряжение +15В с микросхемы 7815 через 2-х ватный резистор (22 Ома).
При длительном включении он такой горячий что дотронутся невозможно - это тоже в пределах нормы или нет?
Все 4 транзистора стали теплыми.- Правильно так и должно быть. Осциллограмма нормальная. Пора бы и напругу подать на выходной каскад. Если страшно напрямую подать - подайте на выходной каскад +320 вольт через лампу ватт 200 - на выходе будет напряжение. Я так понимаю это не проф ремонт, а себе и латра, баласта и амперметра нет.
Он реально 22 Ома или исходя из его маркировки? Держу в руках плату - резистор этот 2,2 Ома 0,25 ватта.
По маркировке и проверил
Извините конечно, но по Вашим картинкам о напруге на клетку можно только догадываться!
Если на осциллограмме 5 вольт на клетку, то напряжение на затворе маловато, норма 14-18 вольт. 22 Ома много, или ошибка, или подгулявший, или кто-то менял до Вас.
Если вместо него поставить 2,2 Ома , то и импульсы на затворах поднимутся. Выложите фото платы.
Вот возле радиатора микросхемы
Вложение 7465
Чуть глаза не выпали, ничего не рассмотреть. Если красный,красный,чёрный,зол тистый - то и в правду 22 Ом. Понятно только одно - импульсы после драйверов маловаты по напряжению. И скорее всего именно из-за такого номинала резистора. Попробуйте заменить на 2-3 Ома. Может китайцы ошиблись, а может намеренно - вот транзисторам и кирдык со временем.
Транзистор заводской (видно что покрытый лаком и не разу не паяный)
напряжение на нем чуть больше 4 вольт
Не ленитесь озвучить всё-таки напряжение на клетку. А то хрен его знает что у вас: то-ли 6 вольт на затворе, то-ли 10, а может 20??? Если 20 - то ничего не меняйте и ставьте силовые транзисторы.
Транзистор заводской - мрак.
Шайбу! шайбу..., в смысле напряжение, напряжение.
Напряжение на клетку 5 вольт (осциллограф ставлю на 0,5 в а щуп переключаю на х10 - получается 5 вольт)
Вот он этот резисторВложение 7466 там бы ещё глянуть осциллографом по питанию после резистора. Конденсатор не высох случаем.
Всё нормально на эмиттерах z24 и 9z24 (между ними) 16 вольт а на затворах силовых транзисторов меньше всего 11 вольт
Если после резистора стоит электролит - подкинуть новый. Или китайцы намеренно ошиблись номиналом, так как с 10 вольтами на затворе силовики работать будут, но не долго. Китайские аппараты не должны работать вечно :D.
В общем всё в Ваших руках: проверьте ёмкость конденсатора и при необходимости уменьшите резистор, но напряжение импульсов должно быть не меньше 14 вольт.
Ага, это чем Вы меряли? Вроде как писали 15 вольтовый стабилизатор - резистор 22 Ома - и вдруг на мостовой раскачке 16 вольт???
Да и по картинке с 14 поста на первичку ТГРа приходят 10 вольтовые импульсы. Вот у Вас и осело 4 вольта на резисторе.
Правильно Вам Николаевич пишет: глянуть осциллографом по питанию после резистора. А там Вы увидите провалы во время импульсов. Решение в пред идущем посту.