Вложений: 1
Кентавр СИ-215А отключается
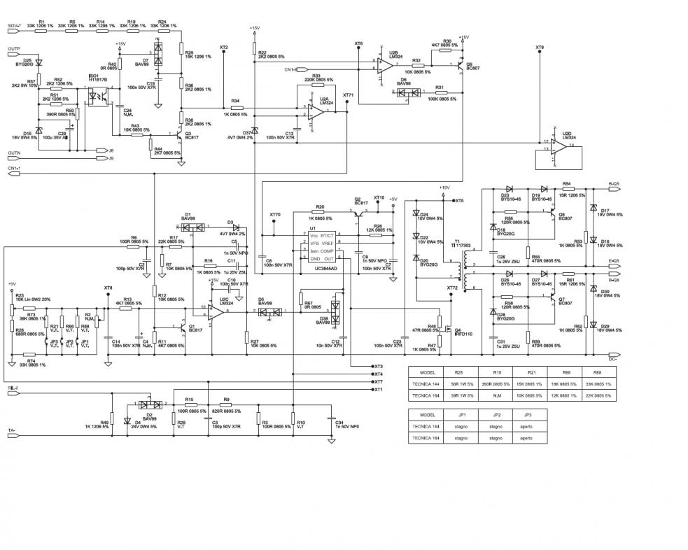
Эта модель-не доделанный Telwin Tecnica-164.Проблема в том,что мгновенно блокиуется ШИМ(3844) при касании электрода и не зависит
от положения регулятора тока(хотя сам ток регулируется).Пару-тройку раз выключился-варит пока горит дуга,потом то-же самое.Мучаюсь с ним больше
недели(с перерывами).По всем своим эксперементам и измерениям пришел к выводу что блокируется по 3 ноге(Isen).Напряжение Vref 5В то же мгновенно
исчезает,хотя основное питание больше 13В.Если убрать кондер с 3 ноги на корпус(1000 пик)-начинает варить.Такое ощущение что слишком
большой ток первички.Может кто мерял индуктивность транса у таких аппаратах.Или подтолкните в нужное русло,а то, кажется,застопорился.
Вложение 5226