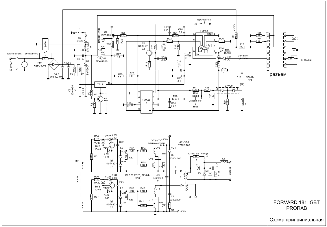
Принес знакомый Forward 181 IGBT вылетело плечо из 2х FGH60N60SF и резистор по питанию 47 Ом другое плечо целое. Побегал по поставщикам у себя ни у кого сейчас нет FGH60N60SF, пришлось заказывать у китайцев. Ждал больше месяца, прислали но FGH60N60SMD, то есть вроде и они но со встроенным диодом хотя заказывал FGH60N60SF. Ну да ладно назад уже не вернуть. У меня вопрос , кто нибудь менял силовые IGBT на такие же но с диодом ?

