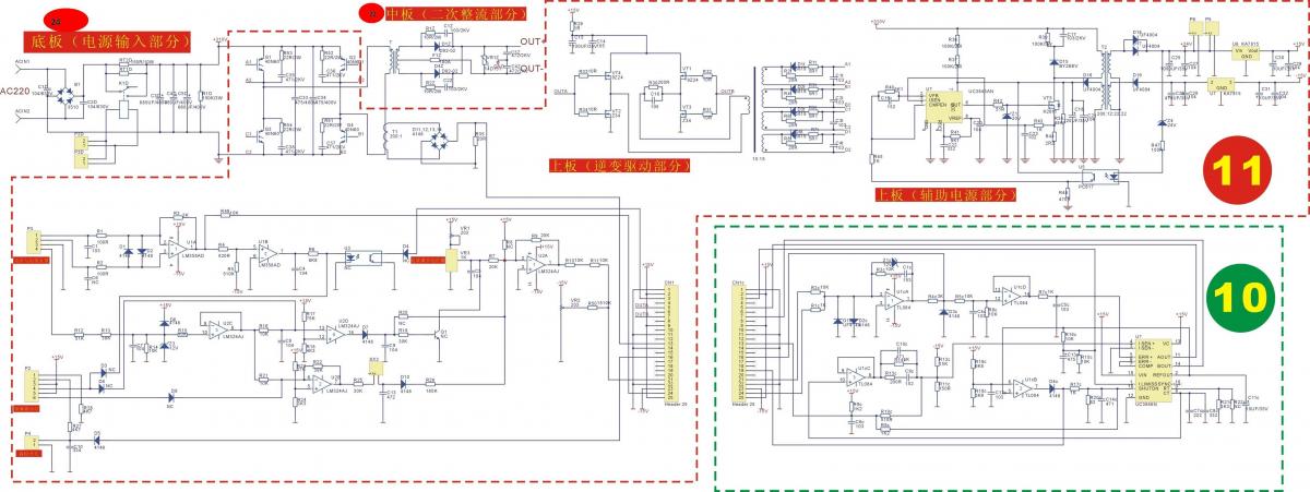
Пришел на ремонт с битым бп.Заменил UC3843,PC817,вместо K2611 поставил временно 7N80C.Включил через лампу,добавил кондер 22*400-запустился.Выходные напруги +-17.5 В.Схемы не нашел,не знаю-в норме-ли они.Не сочтите за глупый вопрос-через 20сек. трансформатор ИБП нагревается до 75 град.-так надо? или китаезы секономили?Раньше такого не наблюдал.У самого ЭИСА-200-транс холодный да и габарит в 3 раза больше при то й же частоте-70кГц.Смущает сопротивление первички-3 Ом-многовато.Вложение 2574Вложение 2575Вложение 2576Вложение 2577Вложение 2578

