Здравствуйте!
Помогите с подобной проблемой.
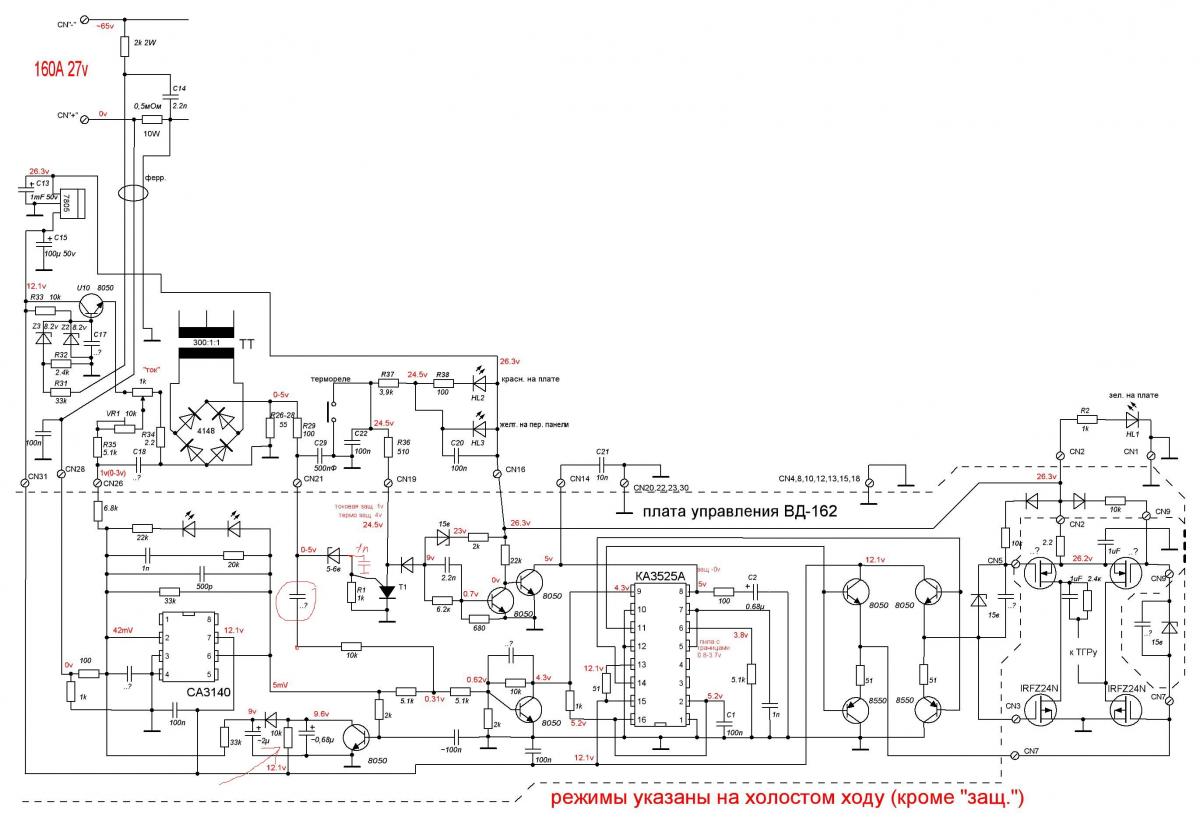
Сварочник то же ММА-250 , как у viktor8210
Ребята попросили глянуть. Внутренности один в один и симптомы точно такие же. Включается, загорается зелёный светодиод на плате сверху. Напряжение ХХ 65-70в. При касании к массе небольшая искра и загорается красный светодиод на передней панели. Возобновление попытки после отключения и выжидания паузы. В общем как у ТС. Визуально на платах повреждений не наблюдается, . Ни гарантий ни доков нет-это был подарок ребятам участка за победу в проф соревнованиях на производстве. Поработали буквально пару тройку дней и он в таком состоянии. Пытался найти схему в профильных форумах, что то не могу найти.http://weld.in.ua/forum/attachment.p...5&d=1385447579
http://weld.in.ua/forum/attachment.p...6&d=1385447588
http://weld.in.ua/forum/attachment.p...7&d=1385447599
http://weld.in.ua/forum/attachment.p...8&d=1385447611
http://weld.in.ua/forum/attachment.p...9&d=1385447622
