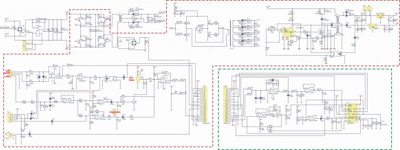
Здавствуйте. Помогите пож. с ремонтом данного аппарата.
Включается. Работает. На выходе около 70 В. Проблеме с выходным током. Когда начинаешь варить электрод прилипает. Пробовал разные электроды.
Ток не регулируется. Как будто стоит на минимуме регулятор.
Что сделано:
Проверил:
1. Резистр регулирующий ток 1КОм,
2. Диоды моста сдатчика тока проверил заменой.
3. Напряжения 310 в в норме
4. Напряжения +15, -15, +5 в норме.
5. Прозвонил все резисторы и диоды на основной плате и плате управления
6. Заменил TL084 в плате управления
7. Проверил конденсаторы - Ок.
Результат тот же.
Осталось заменить TL084 в SMD корпусе и UC3846.
Может было у кого-нибудь подобная неисправность? Куда еще посмотреть.
Вложение 9016

