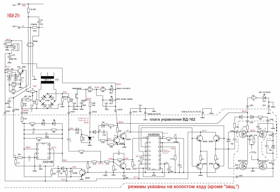
изначально были выбиты транзисторы 4 из 12 шт и диод 4148 в цепи ТТ был пробит , может поможете разобраться мне без полной схемы не получается понять как работает режим MIG , MIG.MMA тех этажка Управление 3525 - СА3140 - LM324 -LM358 - CD 4013 -TL 494
Все работает кроме в режиме Mig варит как-то тычками напряжение под нагрузкой регулирует в диапазоне 22-32в ( без нагрузки тоже регулирует 45-55в ) без силовой части в режиме MIG регулирует скважность на затворах транзисторов
вопрос это нормально или с этим и связана не коректная работа аппарата
напряжения на 3525 без силовой части
MIG ----------------------------- MMA
1 - 2.9-3.2 регулируется----1 - 4.0
2 - 2.9-3.2 регулируется----2 - 4.0
3 - 0.01-----------------------3 - 0.0
4 - 0.25-----------------------4 - 0.25
5 - 2.1-------------------------5 - 2.1
6 - 3.66-----------------------6 - 3.65
7 - 2.1------------------------ 7 - 2.1
8 - 4.78------------------------8 - 4.8
9 - 2.9-3.2 регулируется-----9 - 4.0
10 - 0.0 ----------------------10 - 0.0
11 - 4.8-5.4 регулируется---11 - 5.4
12 - 0.0-----------------------12 - 0.0
13 - 11.7----------------------13 -11.7
14 - 4.8-5.4 регулируется--14 - 5.4
15 - 11.9---------------------15 -11.9
16 - 5.0 ----------------------16 - 5.0
работу малого реле на ПУ проверял оно работает
еще прогарел провод силовой в горелке , провод заменил

