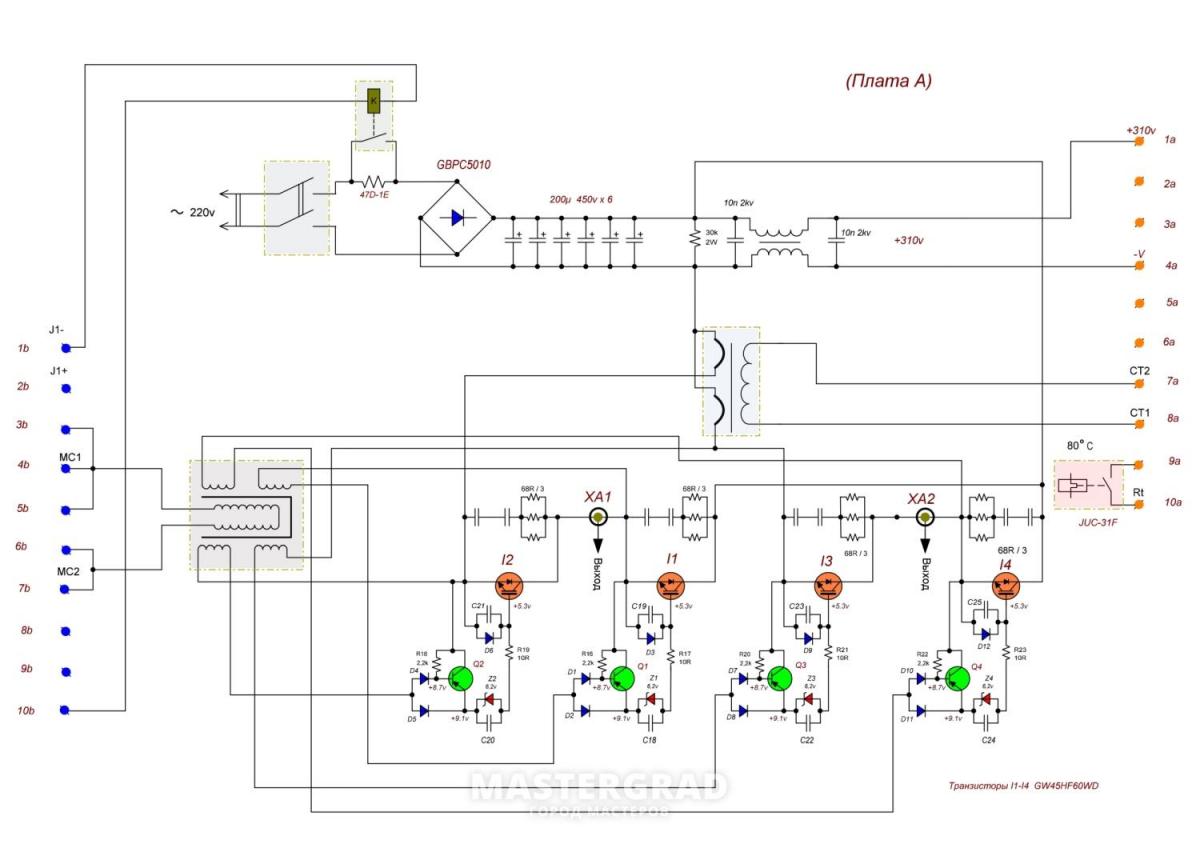
Здравствуйте Уважаемые форумчане. Нужна емкость этих конденсаторов ( в идеале подскажите где взять схему)Вложение 7294
Вложение 7295Вложение 7296
Вид для печати
Здравствуйте Уважаемые форумчане. Нужна емкость этих конденсаторов ( в идеале подскажите где взять схему)Вложение 7294
Вложение 7295Вложение 7296
По идее 0,01 мкФ. Со схемами на конкретные модели проблемы - каждый аппарат хоть чем то отличается от другого. Собственно что мешает его выпаять и измерить ёмкость. Там 4 драйвера - значит четыре ёмкости одинаковые. Другие ёмкостя порядка 1 мкФ.
[QUOTE=Синхро;31196]Здравствуйте Уважаемые форумчане. Нужна емкость этих конденсаторов ( в идеале подскажите где взять схему)/QUOTE]
Ловите
Вложение 7298
Вложение 7299Вложение 7300
На схеме номиналы не указаны
Большое спасибо за помощь. Ещо такой вопрос, сильно ли критична емкость этих конденсаторов ( если поставить допустим 0.1 мкФ)
Понимаете в чём фишка - это драйвер, то есть схема, которая должна сформировать "красивые" импульсы для управления затворами транзисторов. Если на абум поставить ёмкостя, то импульсы могут быть "некрасивыми" , то есть иметь пологие участки и соответственно транзистор не будет открываться и закрываться мгновенно, а значит он будет греться больше и будет в итоге БАХ, а может быть и при первом включении. Поэтому всегда после ремонта драйвера его нужно нагрузить и проверить осциллограммы. С конденсаторами сейчас проблеем нет, так что не экспериментируйте. Копеечная деталь за доли секунды может сжечь не одну сотню гривен.
Благодарю за ответ. Осциллограф есть буду подбирать красивые импульсы.
Доброе время суток. Продолжение темы. Заменил кандеры на драйверах на 0.01 мкф. А также 2 пробитых защитных диода.
Подключил к осциллографу показывает какую то ересь, и сильно греется R21 на рисунке все пометил. Какие дальнейшие действия?
Вложение 7419Вложение 7420
Ну там же просто - рядом на плате два драйвера - тестером путём сравнения сопротивлений можно выявить что не работает - кажись диоды запаяны неправильно и резистор R19 наверное в обрыве - проверте.
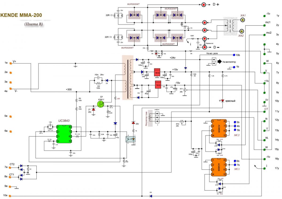
Итак. Продолжаем тему. Надыбал себе лапр подключил с инвертору. При 100в срабатывает дежурка.
Замерял питание на плате управления(там где +-15в) напряжения не было в отрицательной ветке, а в положительной показывало 24в,
Заменил стабилизаторы 7815 на отрицательной ветке показывает 12.5 на положительной 14.5.
Драйвера прозвонил все сопротивления и диоды целы обрывов нет. А резистор 10ом (R21) благополучно догорел до черноты.
Итак выслушаю дальнейшие предположения куда копать.
Очевидно пробит затвор на І3.