Вложение 2044 Вложение 2043 Вложение 2039 Вложение 2040 Вложение 2041
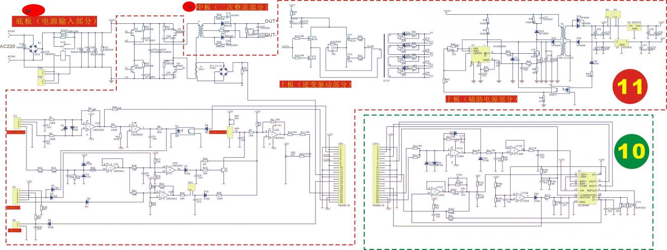
Инверторный сварочный аппарат WMaster MMA-215G цена около 1000 гр дешево и сердито собран добротно ,,, варит электородами УОНИ 13\55 ФК , ОЗС-6 .,ТМУ ,,, 4 варит тоже на пару электродов ,,,держит перепад напряжения порядка 180 - 245 вольт при этом варит 3 без проблем ,,,, меньше не пробывал негде испытать

