Может кто что подскажет? А то у меня уже идеи кончились. Ну кроме менять микросхему, которой у меня сейчас нет.
Вид для печати
Может кто что подскажет? А то у меня уже идеи кончились. Ну кроме менять микросхему, которой у меня сейчас нет.
По опыту работы с ними (применяем 3856) пила может скакать в трёх случаях:
проблема с конденсатором по 8 ноге.
проблема с потреблением по 8 ноге ( попробуйте отключить TL084)
проблема с опорным напряжением на 2 ноге (смотреть осциллографом)
Больше ничего...
Спасибо, Xort01. Конденсатор ставил другой, не помогло. А вот потребление по 8 ноге - мысль здравая, очень даже может быть. Опорное проверю, но вряд ли. Там электролит стоит. И в частотозадающей цепи опорное не используется. Попробую и отпишусь вечером, сейчас на работе.
Здрасте... Как это не используется??? Вся внутренняя структура микросхемы, кроме выходного каскада, работает от опорного(Vref). И электролит может высохнуть, или иметь повышенную утечку.
Я имел ввиду частотозадающую цепь, когда резистор подключен на опорное и на конденсатор.
Здрасте... Как это не используется??? Вся внутренняя структура микросхемы, кроме выходного каскада, работает от опорного(Vref). И электролит может высохнуть, или иметь повышенную утечку.
Даташит рулит -
Вложение 9810
Подтверждение сказанному.
Спасибо всем, кто помогал. Проверил все теории, ничего не помогло. Вскрыл исправный аппарат, там тоже пила скачет. И тут я понял. что что-то не так с осциллографом. Начал проверять настройки триггера и сразу всё понял. Был установлен режим запуска по уровню сигнала, а он как раз захватывал помеху. Вот пила и скакала туда сюда. Забрал аппарат на работу, там сварщик проверил, всё ОК. Клиент уже забрал аппарат. И в довесок притарабанил в "кулёчке" другую сварку, в подарок. Название точно такое же, а вот серединка - другая. Состоит из двух плат. Буду на нём тренироваться ремонтировать, его не жалко.
Почему не жалко? Те аппараты вроде как получше новых одноплатников (в работе).Цитата:
Название точно такое же, а вот серединка - другая. Состоит из двух плат. Буду на нём тренироваться ремонтировать, его не жалко.
Немножко не точно выразился. С аппаратом не страшно экспериментировать. Я читал мнение о старых аппаратах, что они выносливее, надёжнее и варят лучше. Ну поглядим. Купил ЛАТР на 9А, убитый, но обмотка цела. Сейчас реанимирую. На очереди балласт, уже все составляющие есть. Нужно собрать в кучу и настроить. Как только реанимирую ЛАТР - займусь сварочником. Сделаю сварочник - буду заниматься балластом. Вот как то так.
Kaskad11 в тему ЛАТРа. У меня 2 ЛАТРа 2 Ампера и 9 Ампер сделал себе так
Вложение 9842Вложение 9843
и на 2-х Амперном
Вложение 9844Вложение 9845
Корпус от аккумулятора - патроха выкинул из аккума. Вольтметр использовал который измеряет напругу от 75 до 300 вольт - немного переделал и в коробку поставил импульсный блок питания - теперь измеряет от 0 до 300 вольт. Вольтметр всегда индицирует выходное напряжение, а если нажать на кнопочку покажет входное.
Очень в общем удобно - рекомендую:)
Я себе латр сделал из убитого стабилизатора с сервоприводом. Там тебе и входное и выходное напряжение и потребляемый ток и напрямую можно включить и при перегрузке автомат отрубит и не дымит как мой старый убитый латр
https://photos.app.goo.gl/LkAb2KTZes8yA9nx5
Ну так а что - чего добру пропадать - в дело:)
Я буду делать попроще, пока. Сейчас пытаюсь реанимировать ручку регулировки, разбита втулка. И не совестно, блин, такое на продажу выставлять.
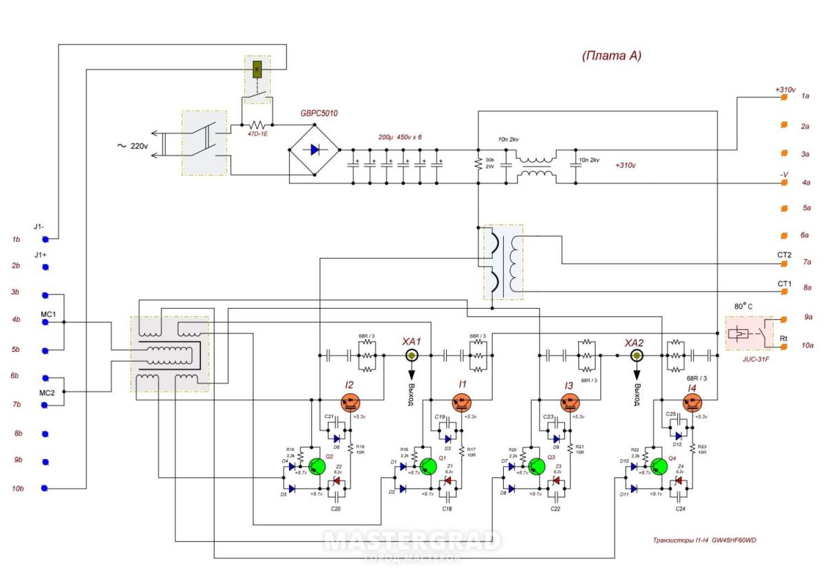
Ребята, время пришло! Восстановил ЛАТР, принялся за ремонт вот такой сварки. Из "кулёчка". И сразу вопрос - микросхема 78L15 указана правильно? Может L7815?
Вот плата.
Без разницы, главное, что на 15 вольт. Будете менять - обращайте внимание на толщину фланца, сейчас пошла мода на тонкие (~0,5мм) - то ещё дерьмо.
У меня 78L15 в корпусе ТО-92 поэтому и спрашиваю. Спасибо.
Ну Вы же понимаете, что то-92 там не совсем по феншую... Скорее на схеме очепятка.
Вот по фэншую
Вложение 9950
В общем всё включилось, ток х.х. - 0.3А но... Сильно греются резисторы снаберных цепей. Буквально за минуту, на х.х. нагреваются, аж дымок идет. Как бороться, на что обратить внимание?
Эти резисторы греются конкретно.
Проверил ещё раз форму сигнала на затворах, напряжение питания. Вроде всё ОК. Завтра возьму прибор и проверю емкости снаберные. Хотя мало вероятно, что бы накрылись сразу обе. Не нравиться мне такой нагрев, где то должна быть причина.
ШИМ-ка на режиме х.х. работает на частоте 70 кГц. Не много ли? Может кто замерял на таком аппарате? Ведь согласно формуле, чем выше частота тем больше выделяемая мощность на резисторе.
Измерил частоту на своём NBC-200 - 77 кГц. Снаберные резисторы греются аж дым идёт, пыль обгорает:)
Спасибо, что не поленился! Но ведь не должно так быть! На выходных опять всё перепроверю, если ничего не найду - начну варить. Сегодня на выходе ШИМ-а обнаружил подозрительные выбросы. Буду разбираться.
Хорошо бы заменить ТГР, но нечем. Один драйвер выгорел, восстанавливал, может и ТГР попало.
Ещё раз всё перепроверил. Осциллограммы норма, на выходе 78В, транзисторы не греются, а вот снаберные резисторы - не дотронешься. Проверил на электрод - варит нормально. Будем считать что сварку я отремонтировал.
Так вот, рылся в схемах и обратил внимание на такое - вот схема выхода Kaiser
Вложение 10121
а это схема выхода Ресанта
Вложение 10122
вот схема выхода Telwin Tecnica
Вложение 10123
обращаем внимание на диоды и разницу схем.
Kaiser - греются резисторы, сремонтирую Telwin Tecnica и сравню нагрев. Понятно что в Telwin Tecnica диоды стоят параллельно диодам что в транзисторе тем не менее проверю. Нехочется сравнивать параметры диодов в транзисторах и дополнительных на плате - практически лучше посмотреть.
Те диоды в Телвине вряд ли влияют на нагрев резисторов ,а в Ресанте может и меньше нагрев резисторов т.к. ёмкость кондёра меньше и ещё заряд его происходит через диод ,через резистор только разряд, это при том что сопротивление во всех трёх схемах одинаковое.
В Телвине да - я привёл 3 схемки как пример разновидностей. Не помню в каких то аппаратах нагрев резисторов умеренный, а в Кайзере калятся.
Может на Кайзере диоды поставить в паралель резисторам, как в Ресанте? Интересно, после такой доработки, бахнет аппарат или нет? Может китайцы решили сэкономить?
Надо будет попробовать. Я на схему не обратил внимание, но есть аппараты в которых нагрев сносный - может там и диоды стояли.
Решил поинтересоваться в своих аппаратах.
Вот схема:
Вложение 10126
А вот фото
Вложение 10127
Ни разу не ощущал что выхлоп теплый.
Так то же мост, а в косых греются. И мощность в мостах этих резюков 2-5 ватт, а в косых аж 10-15 ватт.
Ну да, в мосту по отдельной цепочке на каждый транзистор, а если объединить по два... , да ещё и от ёмкости в самой цепи зависит (можно и вообще без этих цепей обойтись, но тогда будет сильнее нагрузка на сами транзисторы, вот и разгружают транзисторы этими цепями где больше, где меньше).
Вот Кайзер - "косой"
Вложение 10128
Это Телвин
Вложение 10129Вложение 10130
А вот супер современный :D Зенит одноплатник - мост.
Вложение 10131Вложение 10132
в стадии восстановления после "ремонта":D
Ну а что, нормально, по современному компактненько :-). Микитович вот рад что аппарат у него компактный (и это есть факт, мне тоже нравится это в тех аппаратах ,тем более что сама схема довольно полноценная в них), но скоро так глядишь с современными веяними появятся ещё вдвое меньше:-).
"...но скоро так глядишь с современными веяними появятся ещё вдвое меньше...."
Вот появятся лазерные сварочники размером с авторучку и все равно найдутся те, кому нужно полкилометра кабеля на 25 кв, и прищепка в пару кило весом ибо в этом они видят смысл и престиж.
Нееееееееееее не так - когда будут лазерные сварочники размером с авторучку, то найдутся такие, которые оптическим кабелем 16 кв.мм. будут мотать дроссель на штанге или на утюг накрутят дроссель:D - вспомнился модернизатор.
Или на гирю.