сьогодні замовив тестер з частотоміром (мах. амплітуда 50В, думаю достатньо) до пятниці мав би прийти, якщо відправлять сьогодні.
Вид для печати
сьогодні замовив тестер з частотоміром (мах. амплітуда 50В, думаю достатньо) до пятниці мав би прийти, якщо відправлять сьогодні.
Для измерений частоты по плате управления и драйверам - достаточно.Цитата:
думаю достатньо
По поводу работы с инвертором с помощью осцилографа ознакомьтесь с вот этим:
http://valvol.flyboard.ru/topic101.html
Там достаточно информации для того, что-бы осцилом не убить инвертор...
які параметри осцилографа треба для перевірки інвертора?
чи підійде осцилографічний пробник який підключається до звукової карти компютера?
Осцил любой до 10 Мгц , чтоб нормально форму фронтов импульсов увидеть.
Главное - его питание развязать от сети ( см. ссылку выше)
Осц. приставки к компу - я не сторонник - пробовал в свое время - фронты толком не посмотришь.
Чи можна "обійтись" осцилографом до 1 МГц?
слідкувати треба за сигналом 30 кГц. Чи є вищі частоти в інверторі?
Увидите и 1 мегагерцовым.
Я иногда на выезде ОМЛ вообще использую, еще свой с молодости :))))
Ще мене мучить те що на транзисторах тих що б мали бути 40N60 ніякого маркування нема :(
доброго времени суток.
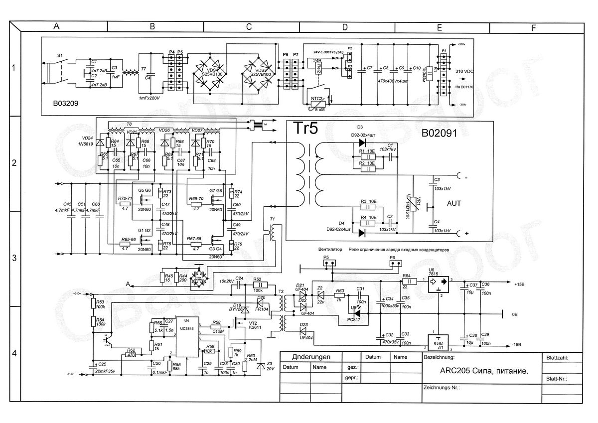
у некоторых инверторов типа днипра и им подобных по разному выполнена цепь температурного датчика. у некоторых через ОУ ТЛ084, а у других через оптопару на 1 ногу 3846. по вашему фото платы не видно как у вас сделано. если через оптопару, то она стоит на основной плате рядом с субмодулем. если смотреть на инвертор сверху и лицевая сторона справа, то оптопара стоит в нижнем правом углу основной платы. при срабатывании термозащиты, через оптопару 1-я нога шимки садиться на землю и управа блокируется. на приведенных вами измерениях на 1-й ноге 3846 висит 0........... в цепи термодадчика стоит два сопротивления, диод и конденсатор со светиком. эти элементы стоят на основной плате возле субмодуля. на 2 ноге шимки выход +5 вольт. он через сопротивление подается на 1 ногу. был случай при срабатывании термозащиты выгорела вся цепочка вместе с оптопарой. для проверки просто выпаяйте оптопару и на 1 ноге должно появиться напряжение.
схема представленная вами правильная, но не сильно информативная. там же на сварка.барнаул есть схема форварда 200 ижбт. она более понятная, но некоторые узлы есть лишние, а цепь термозащиты нарисована по другому.
пробуйте, может оно?
ви маєте на увазі ці деталі що на фото? (щоб часом ще не відпаяв те що не треба :) )
Вложение 2295
под номером 1 она оптопара. по поводу других деталек надо глянуть на плату. по памяти не помню. но вы пройдите по схеме, там не сложно. идите от разъема термодатчика на плате, он возле субмодуля. там несколько деталек идут в один ряд по краю платы, с ними тл-ка и выходят к оптопаре.
Вложение 2296
схема примерно такая
дорожка що йде зверху (до діода)- якраз від датчика температури що прикріплений на радіаторі.
если на первой странице темы фото вашего инвертора, то он имеет некоторое отличие по компоновке от днипров с какими я встречался. у днипров мини радиатор охлаждения распилен пополам. отдельно для диодов и для транзисторов. если он цельный это не очень хорошо в плане безопасности. в случае пробоя ключей на радиатор напряжение 300 вольт окажется на держателе и массе. такие инверторы желательно подключать к сети через УЗО
так на одному радіаторі і фото його!
але силові елементи з радіатором контакту не мають. Вони ізольовані прокладками, змащеними термопастою
оптопару не випаюючи перевірив тестером -пищалкою. в один бік не пробивається в інший 600-1000 Ом. що на світлодіоді, що на фотодіоді
якщо в даному випадку так можливо провірити
СВІТЛОДІОД СПРАВНИЙ ТАКОЖ
если у меня та же схема что и у вас, то у меня на 1 ноге 3846 висит 2 резистора по 10 ком, один на землю, другой на 2 ногу 3846, и электролит. второй выход 3846 это внутренний стабилизатор +5 вольт. во время работы напряжение со 2 ноги подается через резистор на первую ногу 3846. электролит обеспечивает мягкий пуск. во время срабатывания термодатчика, оптопара садит 1 ногу 3846 на землю и этим блокируется работа 3846. вы же пишете что на первой ноге 3846 висит 0?
там должно быть 2.58 вольта. смотри эту схему
Вложение 2297
это схема субмодуля
є два резистори які тестером міряються як 6 кОм. позначення- коричнева, чорна, оранжева полоска і золота.
є два конденсатори. один 10х50Вольт- біля 2 ноги і 475х35В - біля першої
на 1 виводі м-схеми- 0,04 Вольти
на 2 виводі - 5,12 Вольт
сопротивление резисторов на разных схемах разных аппаратов разные. но суть одна и та же. два резистора от 2 ноги на землю это делитель напряжения, потенциал с которого подается на 1 ногу. выпаяй сначала оптопару, этим ты отключишь термозащиту, или дорожку перережь от нее потом припоем зальешь. если не поможет тогда выпаяй и проверь кондер 475/35 в. что то же садит 1 ногу на землю
а мене не тільки на 23 ножці плати напруга не така як має бути
на 5 виводі змість (-)0,8 Вольт в мене (-) 0,2 Вольт
на 7 замість 0,0136 в мене 10,77 В
зараз буду випаювати.
5 вывод от регулятора тока
випаяв. тепер інвертер можна вмикати і знову провіряти напругу?
сразу же на 1 ноге померяй
дальше 0,03 вольти
смотри 5,6,7 вывод тл084. похоже таки по 16 ноге шим-ка заблокирована. на схеме субмодуля напряжения есть.
конденсатор випаяв- результат той же. 0,04 вольти
Можна запаювати оптопару і конденсатор назад на місце?
для МС TL084
1 - 12,1 В
2 - 0 В
3 - 0 В
4 - 14,8 В
5 - 5,1 В
6 - 5,1 В
7 - 11,3 В
8 - 1,9 В
9 - 2,0 В
10 - 2,0 В
11 - (-)14,9 В (з знаком мінус)
12 - 5,2 В
13 - 5,2 В
14 - 5,2 В
куди дивитись? на схемі пише що має бути на 7 ножці (-) 13,83 Вольти, а в мене 11,3. В чому може бути проблема?
і як на 7 ножці м-схеми може бути (-) 13,8 коли на 7 ножці плати 0.0136 В? я щось заплутався
там на резисторах собран делитель и подходит напруга от тт. но напряжение питания подводится двуполярное плюс минус 15 в. если у тебя напряжение с блока питания занижено, то может быть в этом проблема?
вот схема бп
Вложение 2298
Может. Эта м/с с двухполярным питанием. Выход может принимать в разных ситуациях значения от - U пит. до + U пит..Цитата:
і як на 7 ножці м-схеми може бути (-) 13,8 коли на 7 ножці плати 0.0136 В? я щось заплутався
А т.к. с этого выхода стоит диод VD4 в соотв. включении - то от этом "минус" наружу не выпустит. Грубо говоря.
Офф. Только ввалился домой - поднимал некоего "неподъемного" китайского сварняка - только проглядел и не вник, что там у Вас за сегодня срослось/не срослось...Завтра на свежую голову вчитаюсь и постараюсь вникнуть...
Одно понятно - ШИМка заблокирована.
так от в мене 286 Вольт постійної напруги на виході БЖ, коли інвертер ввімкнений. а у всіх інструкціях і всіх схемах має бути 310.
чи не може це бути від того що конденсатори (електроліти) на 470 мкФ 400В замість 470х450 Вольт?
бо саме такі номінали вибиті на платі БЖ на площадці під конденсатори.
у мене теж на 400 в. напруга 310 залежить від напруги в розетці.
поки що нічого не зрослось, на жаль. Зважаючи на мої знання в р-техніці, можливо я щось не так зробив. Але згідно інструкцій і прозвонок тим що маю- конденсатор робочий 470х35В і оптопара також ціла. (якщо її не спалив коли запаював назад :) ) с-діод індикації перегріву теж цілий . Система блокування апарата по перегріву, виходить не при ділах, до заблокованої ШИМки.
Тестер з частотоміром і вимірюванням ємності прибуде швидше за все в понеділок. А до понеділка маю тільки простий тестер.
в розетці в мене 214-216 зараз. вдень- більше
до 300 Вольт постійна напруга з БЖ навіть не піднімалась досі. коли б не міряв чи вдень чи ввечері
на 4 ноге 3846 у вас тоже нету необходимого 0.14 в. вывод 8 шимки это внутренний генератор. там у вас порядок. оттуда идет на 8,9,10 выводы тл084, там у вас тоже порядок. между ними и выводом 7 тл-ки куча резисторов делителя и вход от тт, и питание. по моему где-то тут собака зарыта.
зараз пошукаю інструкцію від пульса, (пульс ну фактично один в один як Днепр, лише без табло і на 200 а не 250 А.) де пише про БЖ і витікаючи проблеми з недостатньою напругою і піду по другому колу шукати собаку.
а померяй напругу на 13 выводе субмодуля. по схеме должно быть 0.177 в. может у тебя срабатывает при включении защита по току?