меряйте сопротивление резисторов не на их ножках, а на ножках соседних элементов по схеме. чтобы заодно проверять и непропай. там ведь двух-сторонняя плата.
Вид для печати
тут я щось заплутався. по схемі таких номіналів нема як тут виштамповані на платі.. де пише 20 кОм - там резисто має опір 7 кОм
де пише 510 Ом - там 120 Ом
і так не лише по цій позиції. Можливо через те що паралельно ще підключені деталі (перевіряв невипаюючи). на схемі не знайшов резистора номіналу 20кОм, який виштампований на платі
резистор на 9 нозі шимки номіналу 3к9, реально має 3,84. паралельно йому є ще вільне місце для впайки такого ж резистора.. це для налаштування частоти?
на першій нозі стоять 6кОм резистри замість 1 кОм як на схемі
опір між 13 і 7 ногою модуля мав би бути 2 кОми, але є лише 1 з копійками
R25 що на схемі в мене має 88 Ом, а мав би бути 1 к
через це я так розумію неправильно працює подільник напруги.
А що може спричиняти позитивну напругу на 7 контакті субмодуля, коли там маж бути мізерна відємна? :(
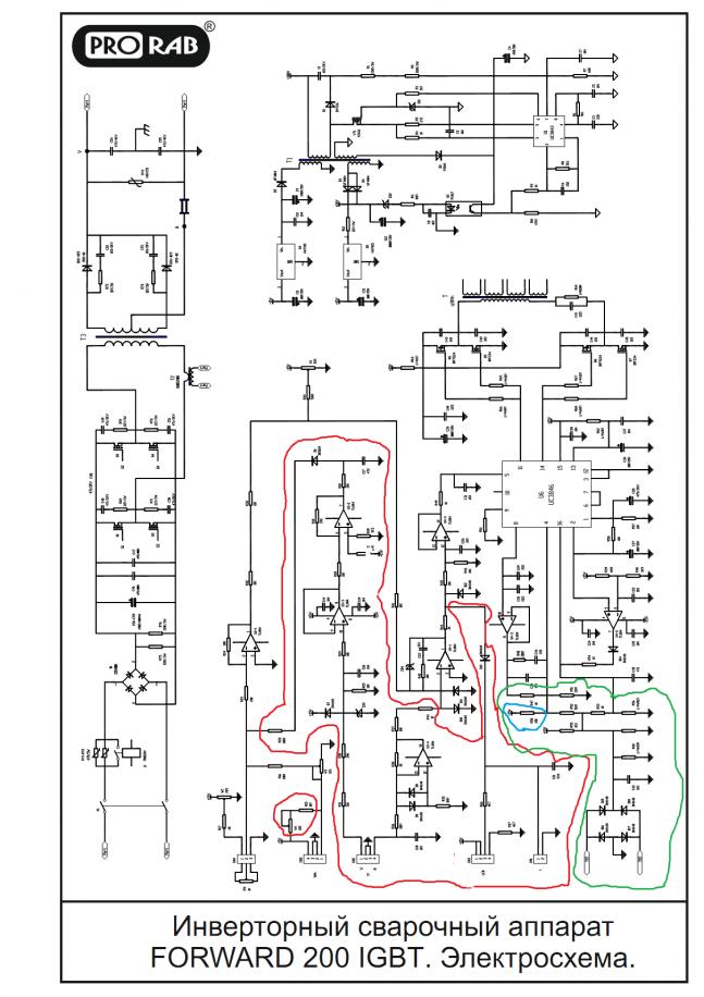
посмотри эту схему. названия элементов не соответствуют, а номиналы те же. но некоторые все же могут отличаться.
Вложение 2309
красным обведен участок которого нет в вашем инверторе. зеленым отмечен делитель. синим указан резистор которого нету на той схеме. на этой схеме более понятно нарисовано, но элементы расположены на разных платах, на основной и на субмодуле
дуже важко розібрати номінали. напевно на форумі зображення зменшилось... хмм..
Через 2-3 дні матиму осцилограф. Як ним можна перевірити зварку?
Бажано покроково (ніколи не мав справи з осцилографами раніше)
Дякую.
дякую! схему скачав, але в попередній щодо мене легше орієнтуватись. Вже вчетверте пробивав всі резистори. І виявилось що тільки резистор з номіналом на корпусі 1 кОм та з виштампованим номіналом на платі 1К має всього лиш 88 Ом.
Сьогодні озброївся осцилографом с1-94.
Вложение 2322
Якщо це полегшить пошук несправності, скажіть, будь ласка, в яких точках і що шукати?
Дякую.
Вчора-позавчора читав не один форум по ремонту, але поки що схожої проблеми як з моїм апаратом не знайшов :(
пока шим-ка не заработает осцилом делать нечего. меняй тот резистор, вполне он может быть причиной
випаяний резистор має 1 кОм
і що це може бути таке?