Ок. Ну чего так "орать" тогда, в "адовой струе ламинарной"?
Вид для печати
Из "практической" тема переросла в "демагогию". Мда..
Сегодня запустил (почти:)) LCF-метр, и решил замерить индуктивность сделанного мной выносного дросселя, оказалась 8-9мкГн. Дроссель состоит из двух комплектов сердечников ТВС90ЛЦ (последние цифры не помню,вообщем те которые меньше размером), сложенных буквой Н , и содержащий 6-7 витков обмотки.
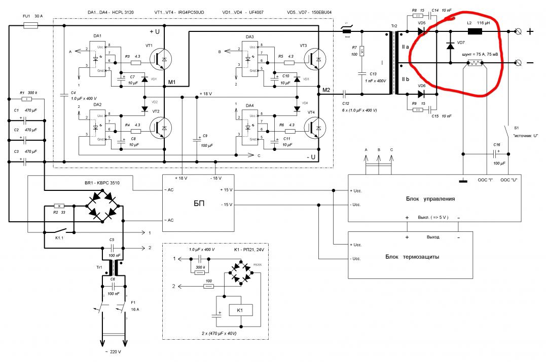
Вот , нашел наконец реализованное решение с добавочным диодом. Инвертор Лисова. Выходная часть как у Джеррарда и обратка так же с шунтом. Ситуация проясняется.
Вложение 4534
Добавлю.
Индуктивность дросселя не 8-9 и даже не 30-50мкГн, и не "косой". Электрик орг. Файловый архив по сварке, там вся инфа по этому сварочнику.
Так же интересно решение по удвоителю напряжения на выходе, "феншуй" для основных!
116 мкГн ,это что бы мало не показалось? Обратный диод стоит не только у Лисова , а и к примеру у Негуляева, а может и не только, но это всё самоделки, люди стараются сделать лучше (вопрос только лучше ли оно в реале получается). Попробуйте найти схему промышленного производства с таким диодом.:-)
Добрый день уважаемые форумчане. В третьем предложении, третьего своего поста я указывал, что мотать можно на чем угодно. Так что вы все уперлись в феррит. Мотайте на железе (тс180, тс250) и будут желаемые микрогенри...
Здравствуйте,являюсь обладателем инвертора PROCRAFT-SP205D,который прожигает на малом токе тонкий метал,
нестабильно держит дугу,некоторые электроды вообще трудно поджечь.Открыв его обнаружив отсутствие дросселя,
отсутствие одного из обратных силовых диодов.Порывшись в интернете нашёл схему Ресанты саи 220 и решил сделать
дроссель по ней.Был куплен сердечник с распылённого железа Т200-52В и диод 60СРН03.Намотал на сердечник 6,5
витков в 7 проводов ПЕВ 1,5мм,индуктивность вышла 8 мкгн,и запаял на свободное место диод.Посте этого сварка стала
намного лучше варить,шов стал ровнее,дуга устойчевее,меньше брызг металла,поджигает любые электроды.Вот фотоотчёт
http://s011.radikal.ru/i318/1703/2d/798db8f10b63t.jpg
http://s018.radikal.ru/i515/1703/21/66d96a5c5ec4t.jpg
http://s019.radikal.ru/i621/1703/10/7d2f10f3da06t.jpg
http://s020.radikal.ru/i721/1703/35/9826f26a1bcct.jpg
http://s45.radikal.ru/i107/1703/9a/b1669fce4d61t.jpg
http://s002.radikal.ru/i198/1703/06/d8670dc06efat.jpg
http://s019.radikal.ru/i641/1703/20/9dfa6fd79a50t.jpg
http://s009.radikal.ru/i310/1703/ab/b0a2d7049dfbt.jpg
http://s02.radikal.ru/i175/1703/1a/d950ebe60b6bt.jpg
http://i023.radikal.ru/1703/69/8ae2e3786951t.jpg
aleksandrit78
Здравствуйте.
А Ваш PROCRAFT-SP205D - это косой или полный мост?