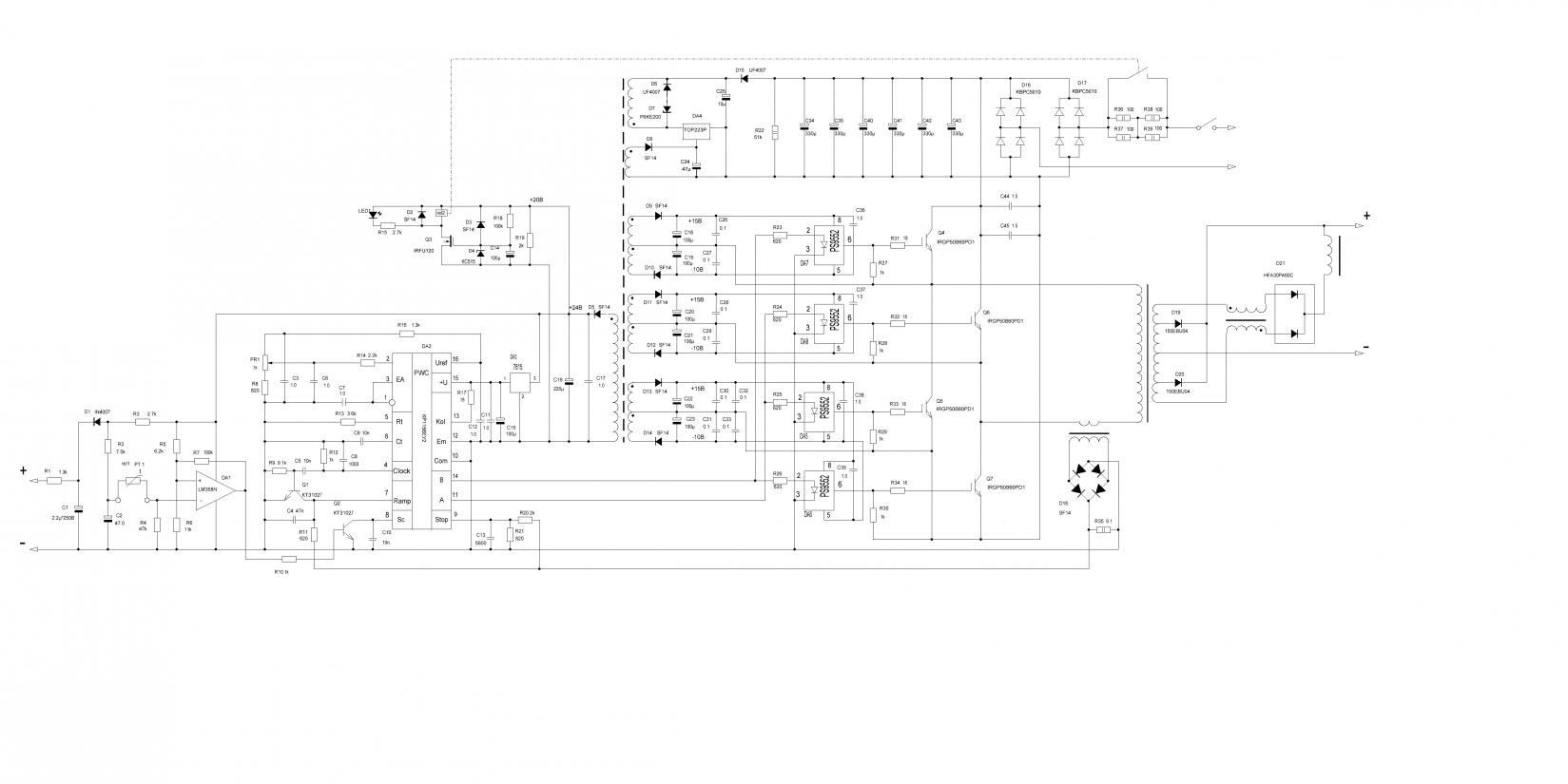
Помогите пожалуйста найти схему на сварочный инвертор "Прометей 200".
Вид для печати
Помогите пожалуйста найти схему на сварочный инвертор "Прометей 200".
Фото внутренностей хотелось бы увидеть...
Уважаемый САША, при ремонте аппарата Прометей-200 2008 г. вып. возникла необходимость в принципиальной схеме .Нашёл только на этом форуме не могли бы Вы выложить её в более высоком качестве (читается плохо). Заранее сильно благодарен.