-
Модуль GT50HH60A1HD
Здраствуйте мастера и форумчане у кого нибуть попадался такой модуль IGBT GT50HH60A1HD в сварочном аппарате на ремонт. В данном случае название аппарата PUNAIR MIG 350.В нем 3 режима ARC>MIG>LIFT TIG. На модуль даташит не нашел Я.Может кто сталкивался с таким модулем переделывал на транзисторы?
-
Вложений: 1
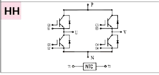
С таким модулем не попадался аппарат. С другими да - переделывал на транзисторы. В модуле GT50HH60A1HD стоят 4 транзистора - НН это конфигурация соединения транзисторов. Соединены так что получается мостовая схема выходного каскада плюс встроенный термодатчик. То есть выкидается модуль и ставится 4 транзистора 50-60 ампер на 600 вольт. ТГР имеет 4 обмотки и соответственно 4 драйвера - остаётся правильно сфазировать управление на диагонали моста. Подобрать номинал терморезистора, это можно сделать не подключая выходной каскад.
Вложение 12695
Не плохо бы фото модуля что бы я не ошибся.
-
Здравствуйте. Да правильно вы нашли.На него нету отдельного даташита искал Я.Дело в том что я заказал такой модуль только нашли бу , когда пришел проверил был целый. На драйверах при установке другого модуля проверил и сравнил сигналы все были одинаковые по 14.5 воль в размахе выше 0 и обший размах 33 вольт, частота была 27 кгц.Сигналы дважды проверял и сравнивал блезницы по элементам тоже на драйверах было проверенно, проверял трнс импульсный тестером на индуктивность показал что без замыканий есть индуктивность. Поставил модуль включил и сразу зашипело сгорел модуль и за собой унес обьвязку одно драйвера. В родном модуле вскрытие показала что правая сторона транзисторов сгорела вскрыл заказной сгорели левые транзисторы если смотреть на ваш рисунок.