-
Вложений: 3
Ремонт Зенит ЗСИ 255
Добрый день!
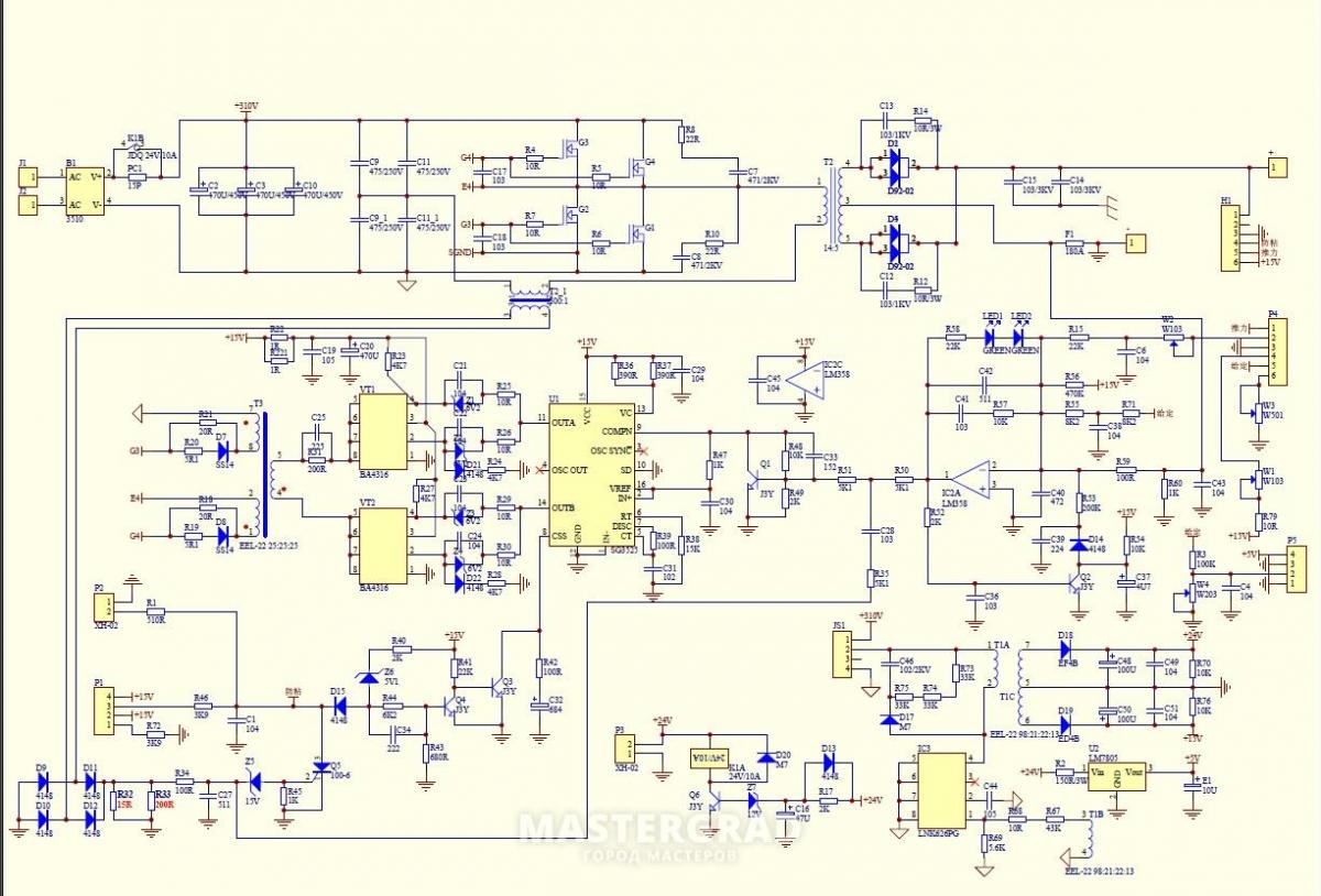
Есть сварочный инвертор Зенит ЗСИ 255.
Схема полумост. 3522 и LM 258. Схема как у трехэтажек.
Я нашел на этом форуме подобную.
Вопрос такой. Как мне подключить лампу после электролитов?
Я понимаю, что надо резать плату, но плюс расходится в 2х направлениях,
на конденсаторы полумоста и на транзисторы.
Можно ли подсоединить лампу в разрыв минуса, а не плюса.
Но в разрыв минуса это тогда будет не только силовая часть, но и та, что идет на
блок питания 15В и 24В. Можно ли так делать?
Фото прилагаю.
Еще вопрос. Я хочу проверить обратную связь по току, надо разрезать перемычку от шунта.
Шунт 180А и вероятно 75мВ, так вот в разрез надо подать отрицательное напряжение в районе этих
самых 75мВ, 20-50мВ, я правильно мыслю? А потом посмотреть схлопывается ли шим, так?Вложение 12655Вложение 12654
-
здравствуйте. лампу ставить в разрыв +или- без разницы. по поводу шунта,надо сморет на каком он полюсе находиться если на минусе то положительный потанцеал в стороне клемы выхода минуса.
-
а чем резать плату лучше выпаять транзисторы по плюсу. и так можно проверить регулировку тока и цепи обратной связи.
-
Всем спасибо, все отремонтировал.
Тему можно закрывать.