Помогите найти схему Welder fantasy adore x200 или его клон. Заранее спасибо.
Вложение 12304Вложение 12305
Вид для печати
Помогите найти схему Welder fantasy adore x200 или его клон. Заранее спасибо.
Вложение 12304Вложение 12305
хотел вставить файл, но не получилось. Дайте е-мейл
Какая неисправность?
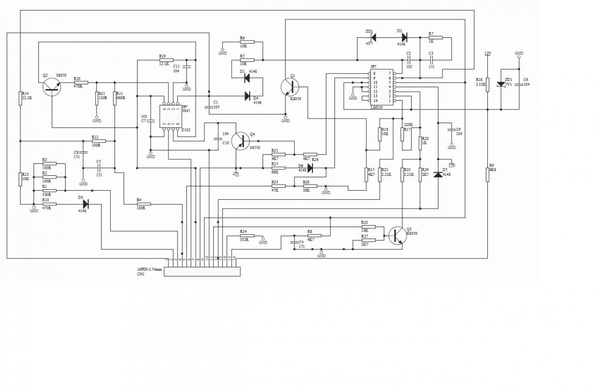
Вот , ловите. Только что делал точно такой, но убитый...
Но схема дежурки совсем не такая, там на 5L0380 Так что смотрите на Adore x210 и Тесла 277. Сборная. Если есть вопросы - спрашивайте, как раз нашел хитрую неисправность.
Вложение 12307Вложение 12308Вложение 12309
Кстати, а какой у вас там транс дежурки на фото- 70:20:13, а то у меня затерто?