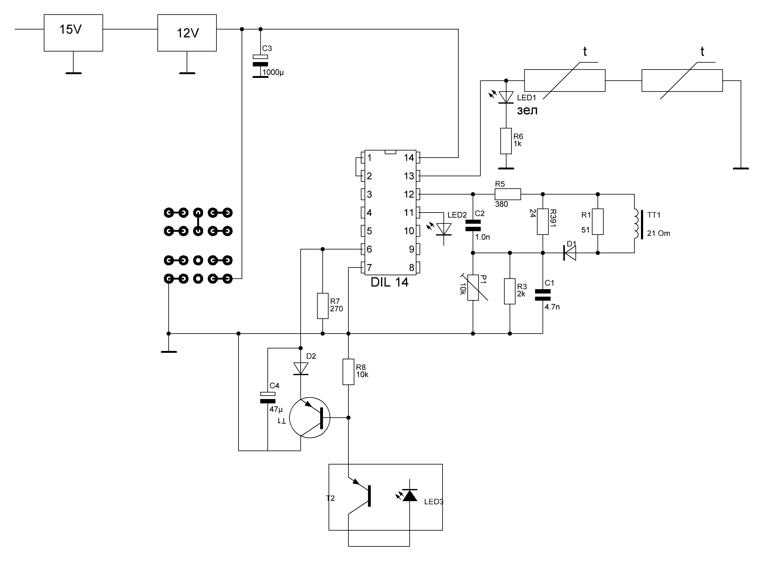
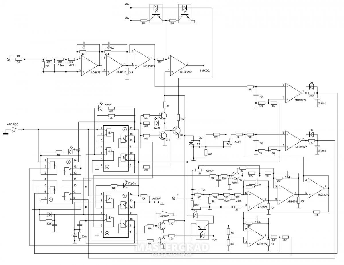
Здравствуйте форумчане . Прошу помощи в ремонте инвертора Патон 160-P DC TIG , не регулируется ток и находится на максимуме . Заменил все подстроечные резисторы согласно номиналам , токовый трансформатор цел , диодный мостик то же . Дальше тупик .Схемы нет .Вложение 12091Вложение 12092Вложение 12093Вложение 12094Вложение 12095
