Вложений: 6
А помнит ли кто то Торус?
Притащили любимчика, который отпахал много лет. Был в другом ремонте, очень пахабно, отработал недельку и взорвалось все что только можно.
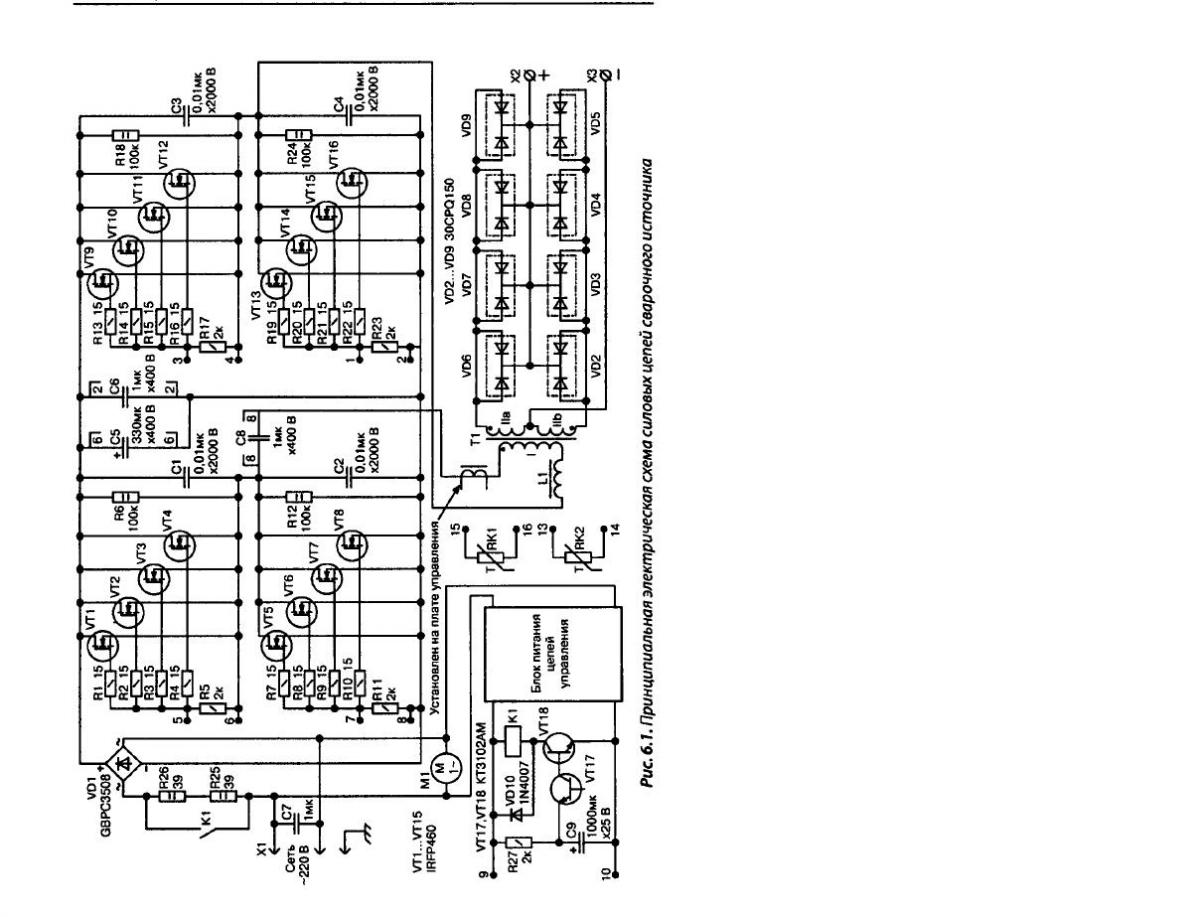
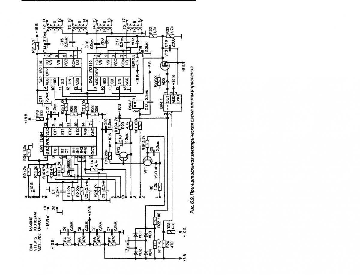
Никаких предохранителей нет, если взрывается сила - то с дырками и дорожками. Я все восстановил, работу изучил по книге В. Володина (173стр)
но там отличия, мой кастрирован с завода по регулировке и нет блокировки ХХ, там не впаяны делали. Вобщем если кто вдруг вникнет в схему, то у меня половинка MAX492 не задействована, а одна из IR 2110 входом SD сидит на земле, те включена постоянно. Вторая IR 2110 входом SD подключена к MAX492, той части, которая завязана на регулятор тока на лицевой панели. При эмуляции сварки я подаю напряжение, как в книге на R17 и в определенный момент импульсы выхода с этой IR 2110 пропадают, а вторая IR 2110 продолжает работать. Никакой скважности у меня не меняется, просто ON/OFF. В книге написано, что один IR 2110 работает всегда со стандартным заполнением, а другой IR 2110 должен быть с ШИМ регулировкой. На практике, на балласте ток регулируется нормально, только маленький ток не выставить, только половина от максимального.
TL494 только тактует драйвера, никакой шим регулировки в ней не задействовано, еще она рубит импульсы если перегрев и на ней сделан выключатель - просто выключает генерацию :)
Сварщик говорит огонь аппарат - ремонтируй за любые деньги. Неужели это так по задумке и работает?
Вложение 11983Вложение 11984Вложение 11985Вложение 11986Вложение 11987Вложение 11988