Вложений: 5
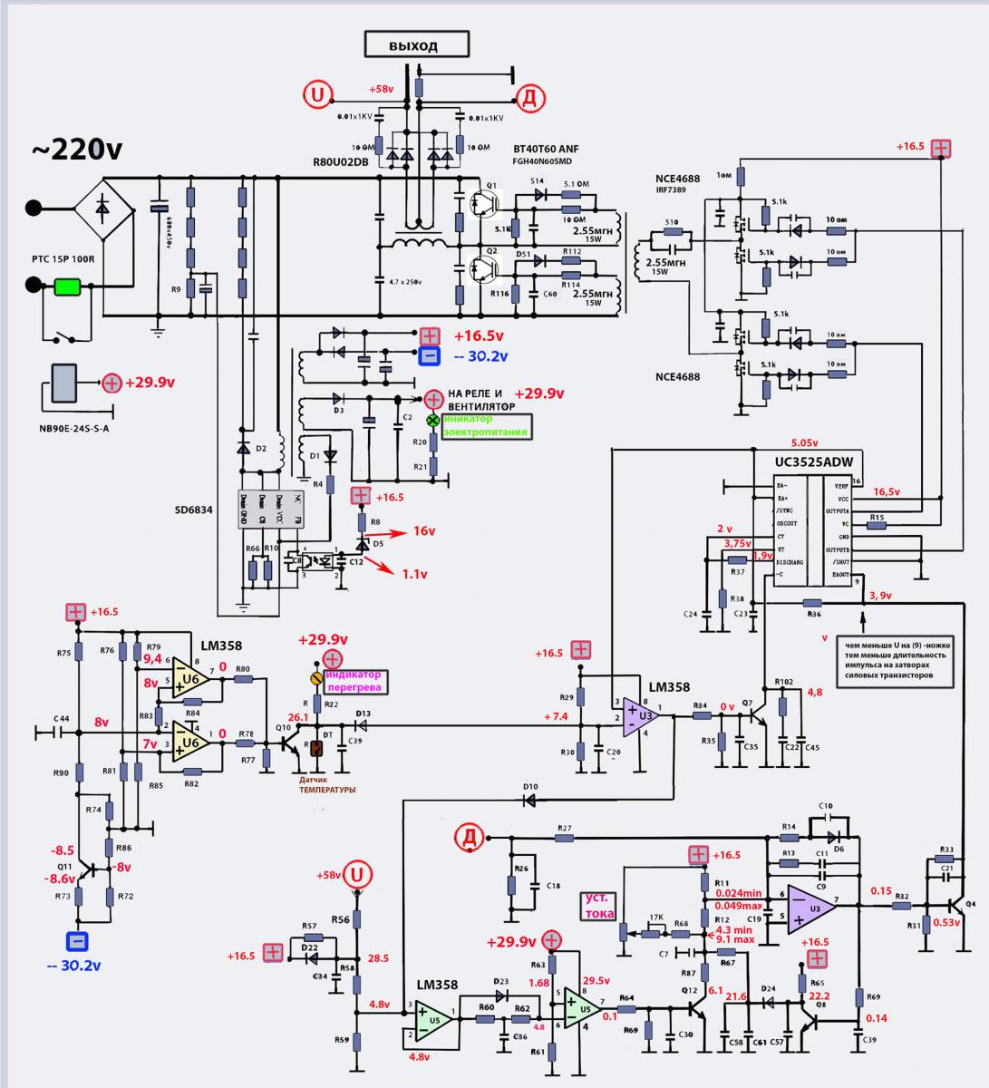
!Сварочный инвертор MMA 180N(wert) чем заменить 4688
Здравствуйте! Всех с Новым Годом!Сварочный инвертор MMA 180N(wert) не было напряжения на выходе.Силовые транзисторы были
целыми.На одном из транзисторов на затворе была какая то не понятная форма сигнала,а на втором вообще ноль. У шим контроллера UC3525ADW
прямоугольный сигнал 11н. и 12н. наблюдалось.В отличии от 12н. на 11н. форма сигнала отличался меньшей амплитудой.Начал следить за формой
сигнала до полной потери,и наткнулся на транзисторные сборки 4688. С 11н шимконтроллера UC3525ADW доходило до транзисторной сборки,
а после по нулям.И заметил ощутимый нагрев транзисторной сборки 4688.Обнаружен пробой в выводах 3 (S1) 4-5(D1) P-channel
https://datasheetspdf.com/pdf-file/1...ctor/NCE4688/1 Суть вопроса такова по всем магазинам прошел где продают
радиодетали,сроду такого не видели.С Китая ждать долго,посоветуйте пожалуйста чем его можно заменить,не мог подобрать аналог.Заранее благодарю!
Вложение 11330Вложение 11331Вложение 11332Вложение 11333Вложение 11334