Довольно похоже на Zojan Mini MMA-250, токо попроще.
То же новое поколение. Похожи БП, силовая схема, управа.
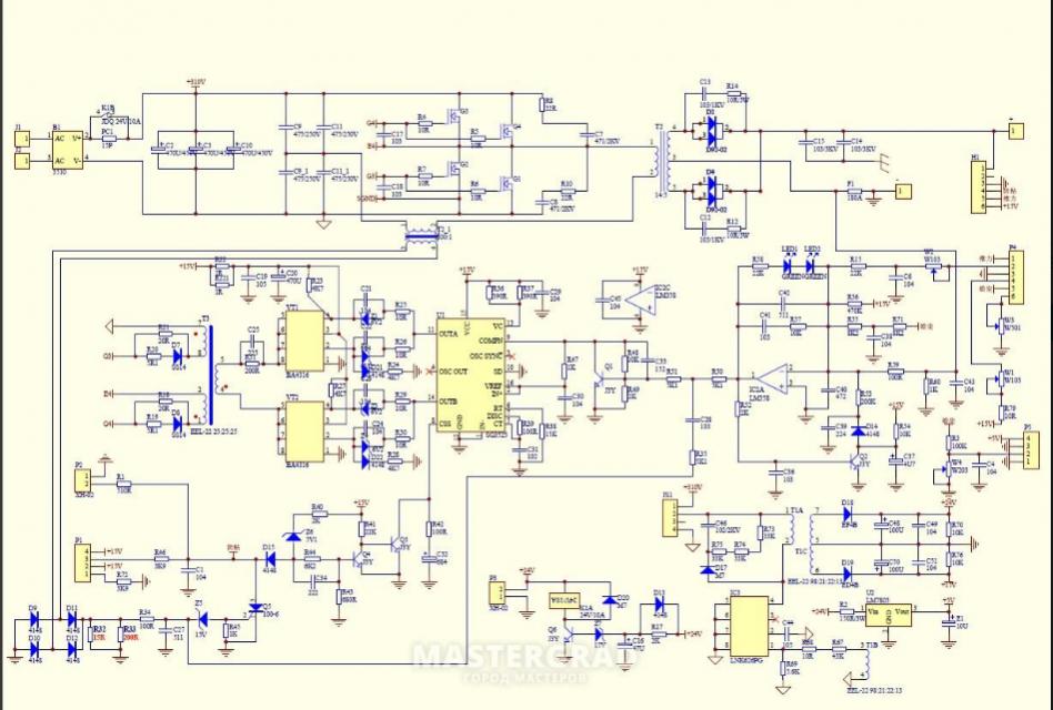
Тоже полумост на UC3525.
Жесть жестяная. Конденсатор токо один, 1000 мкФ 400 В. Пускового
резистора-реле нет в принципе. Впервые такое вижу. Еще впервые вижу такую наглость - жестяной аппарат ампер на 130, а в инструкции написали 355 А.
Если вдруг у кого есть схема б/м похожего или просто этого поколения - поделитесь ссылкой или схемой.
Вложение 11148
Вложение 11149
Вложение 11150
Вложение 11151
Вложение 11152
Вложение 11153
Вложение 11154
