Ищу схему на инверторный полуавтоомат wester mig 160i помогите пожалуйста .
Вид для печати
Ищу схему на инверторный полуавтоомат wester mig 160i помогите пожалуйста .
Вы бы лучше написали, что с ним не так ...
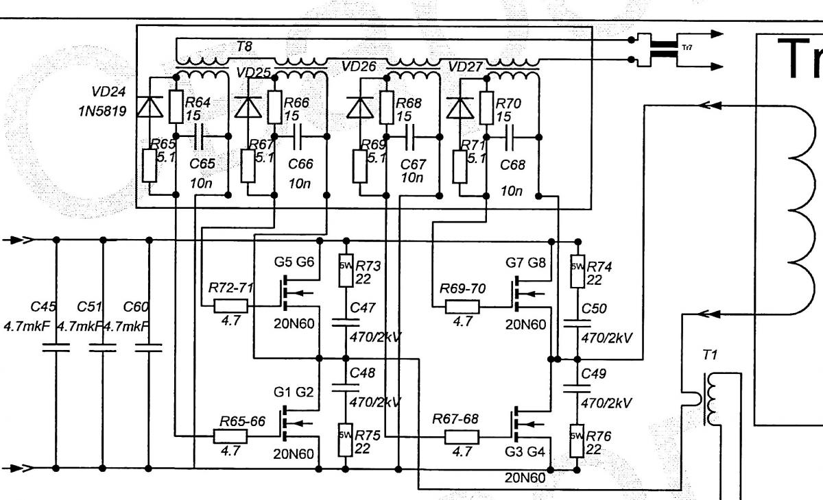
Сгорели все четыре транзистора 40n60 , но это пол беды . Все сопротивления вокруг прогарели , нужны наминалы.(
Типа такие драйвера
Вложение 10870
Схема полумост
Вложение 10871
Похожа , немного не такая сборка.