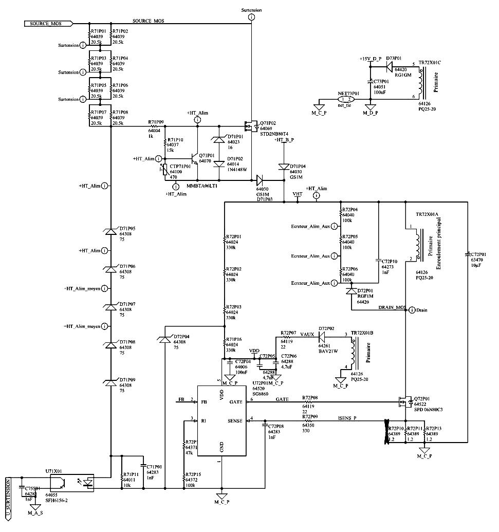
Доброго времени, господа форумчане. Прошу помощи в опознании данной микросхемки, или может кто поможет схемкой. Нет запуска дежурки, транзисторы целы. Маркировку микросхемы считать нет возможности, она отсутствует, схемки в нете тоже не нашел. Фото прилагаю. Буду признателен за любую помощь.https://ibb.co/D75nBBJ

