Приветствую всех!
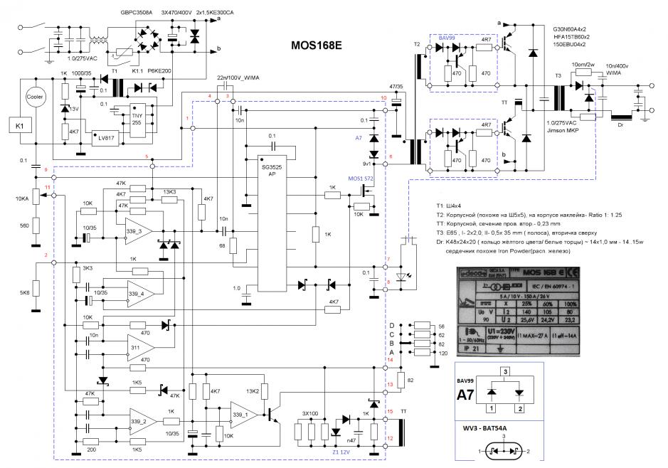
Кратко предыстория. Купил недорого плату "для иметь представление об инверторе", "для научиться" и" может сделаю". Чтобы не жалко было курочить. Судя по фоткам - это была Deca 168 MOS, хотя и не факт. Там не было силового трансформатора, и продаван указал, что сгорела дежурка.
По факту - дежурка целая, сгорел один силовой диод, один размагничивающий, драйверы , и два силовых транзистора. Начал изучать по интернету, как ремонтировать. В общем , все сделал типа Ок, но не все получилось ок. Ну то такое.
В интернете нашел, что наш производитель из Ровно делает инверторы Техмик точь-в-точь как Дека. Схема Деки гуляет по инету, здесь на сайте тоже есть, но для меня без номиналов темный лес (с номиналами тоже :) ) - решил, рискну написать в Ровно.
Большую благодарность выношу представителям Техмик, особенно главному конструктору и Алексею Климчуку, что не отмахнулись от меня, а помогли. И также выслали мне файлы, которые выкладываю. Думаю, кому-то тоже пригодятся.
Кстати, в этом и отличие их ( и ИИСТ Херсон тоже) от Патон, ССВА и т.д., что они дают схемы в свободный доступ, а не "зажали", как эти производители
Вложение 10432Вложение 10433

