Вид для печати
Помогите найти схему на ІСКРА ММА291
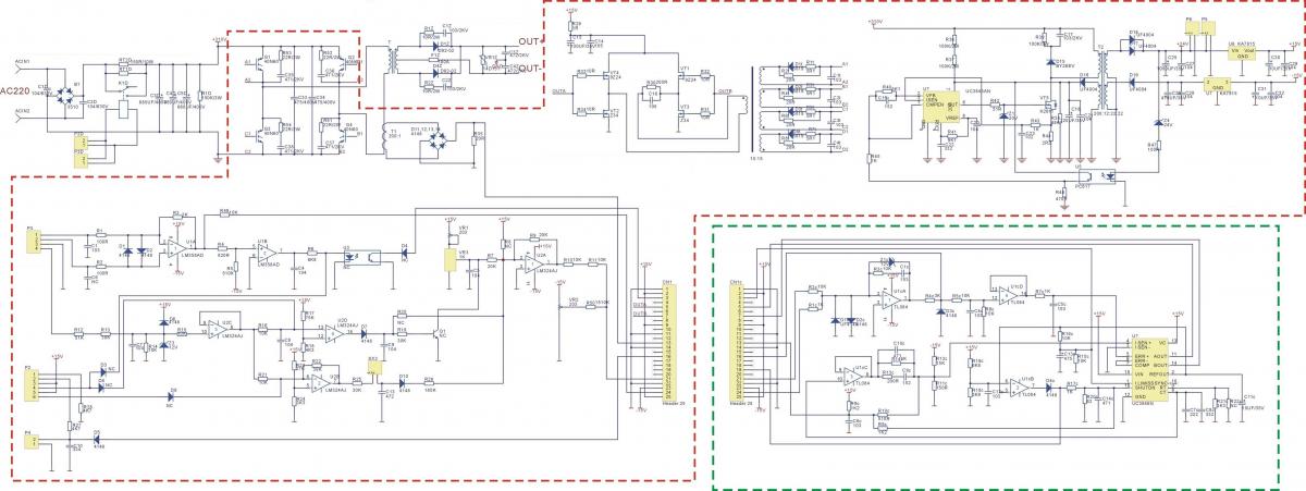
Схема типа такой Вложение 10066
схема там типовая. Топология иджибитишной трехэтажки на восемь транзисторов
Цитата: Сообщение от евген85 схема там типовая. Топология иджибитишной трехэтажки на восемь транзисторов Хотелось бы увидеть на этой схеме регулятор форсажа дуги, которого нет на этой схеме.