Вложений: 6
После другого мастера Spark 180S PRO
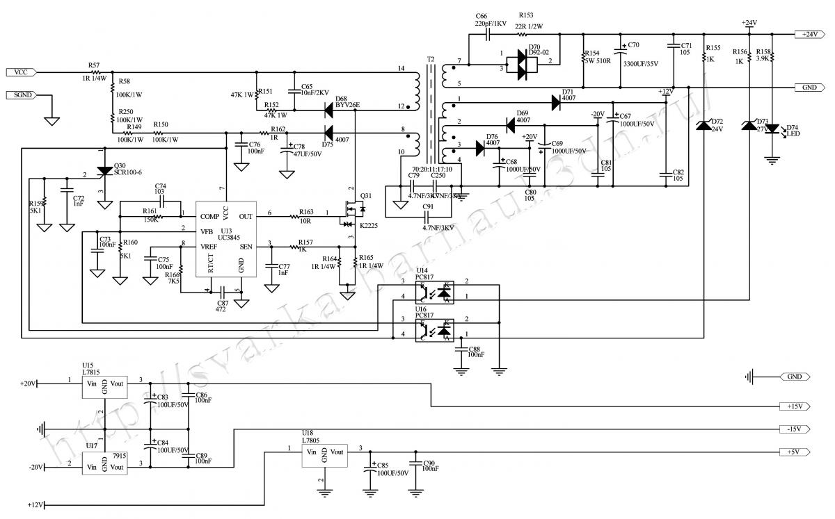
Добрый день. Прошу помощи в опознании элементов, т.к. плата подубита другим мастером, то приходится мучатся, схему на данный аппарат на просторах я не нашел. Выкладываю фото и на всякий случай говорю позиционные номера. На фото №2 интересуют резисторы R89, R90, R108, R113, R115; на фото №5 интересует D4 (предполагаю что там должен быть диод 1n4148 вместо 1n4007) и R28, на фото №6 интересует R43. Так же на фото №1, 3 и 4 меня интересует надобность перемычек. Заранее спасибо за помощь.
Вложение 9781 Вложение 9782Вложение 9783Вложение 9784Вложение 9785Вложение 9786