-
Апарат Kaizer Nbc 200
Была отремонтрированая дежурка после даже завелась и вроди бы варит но ток постоянно на максимуме шмалит вне зависимости ручки потенциометра .Пробовал подавать напряжение на обрат. связь импульси гасятся .Транс тока в норме обвязка тоже вроде норм .Апарат долго лежал в сиром гараже .Думаю что то с тл084 и еще здесь стоит тл082 .Подскажите куда капать?
-
Та хоть фото скиньте. Я ремонтировал Kaizer Nbc 200 профи - так там шунт по выходу соответственно и обратная связь по току оттуда берётся. Потенциометр на передней панели в норме??
-
Вложений: 2
Вложение 9531Вложение 9532
С потенциометром все нормально проверял
-
Вложений: 1
Схема похожа на эту
Вложение 9533
-
Все получилось.И теперь все регулируеться .Помогла пропайка операционников так апарата валялся в сиром помещении .
-
Хороший хозяин ".....так апарата валялся в сиром помещении":)
-
Вложений: 7
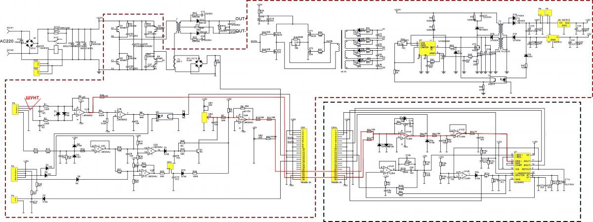
Подыму темку. Аппарат близнец. Бахнули 2 силовых ключа, по тихому, остальное на вид в норме. Я не могу найти причину и мне не нравятся осциллограммы.
Схема его силовой части типа как вот тут https://weld.in.ua/forum/album.php?a...achmentid=3164
Вложение 9691 Это один из выходов ТГР с выпаяными драйверами. Все выходы на ослике идентичны 10в/дел 5мкс/дел
Вложение 9692
Вложение 9693 Это затворы двух ключей, которые стоят на одном радиаторе. Аппарат пригружен резистором 17 Ом. На выходе ХХ 95В
Что за загогулины на картинках? Осцилки сняты затвор-эмиттер каждого ключа
Вложение 9694Вложение 9695 Это затворы ключей, которые стоят на разных радиаторах, вроде так ниче картинка.
Вложение 9696 первичная обмотка выхдного трансформатора, нагрузка 17 Ом, в сети 160В (просто чтоб в экран влезло, не хватает делителя)
Вложение 9697 это на 140В входного, без нагрузки
Транзисторы холодные, по лампочкам (500Вт) потребление из сети как у живого аппарата.
Если выпаять ключи и повесить по 4нФ - картинки на затворах одинаковые.
Я что то не так меряю или что? Меня смущает, что когда я подключаю ослика к ключам которые дают кривые картинки, даже просто подключив массу уже на осциле получаю какую то картинку просто меньшей амплитуды, как очень мощная наводка получается.
Драйвера менял местами, транзисторы сначала поставил все 4 новые, потом поставил 2 выживших - ничего не меняется
-
Ну такую фигню я иногда тоже наблюдаю, поначалу тоже заморачивался, а потом перестал на это обращать внимание - такая фигня иногда наблюдается на некоторых аппаратах - отчего она - фиг его знает.
-
Если запитать ШИМ от отдельного источника, не подавая на сам аппарат питание, сигналы в норме?
Загогулина действительно странная. Причём странность как на фронте, так и на спаде.
Осциллограф конечно ловит помеху, но обычно она выражается небольшой осцилляцией в сигнале, в основном на "верхних" ключах. Здесь же что-то иное, такого и близко не должно быть.
Ключи вы подкидывали новые, драйверы меняли местами (коим образом?), значит проблема в другом. Проверяйте снабберы ключей и диодов, плёнку по 310 вольт. Но мне кажется всё это не то...
Странно, что вы ловите помеху, даже подключив просто земляной крокодил ослика. Может дело в осциллографе или щупе?
-
Там на фото есть где передний фронт такое что то непонятное дугой идёт - в принципе такого осциллограф показать не может так как развёртка не может туды-сюды двигать луч - наводка - такое тоже наблюдал.