Используется для сварки аргоном. Нужна схема платы управления.
Вид для печати
Используется для сварки аргоном. Нужна схема платы управления.
Классная плата, по размеру как лист А4, почти одни логические элементы. Схемы нет. Когда-то давно ремонтировал такую. Причём ремонт свёлся к восстановлению заводского состояния платы после чьего-то "ремонта". Зачем-то были порезаны дорожки и стояли перемычки. Ничего не менялось, плата заработала.
У Вас там кренка выпаяна, что-то с питанием? Конечно, если напруга попёрла выше крыши - там много могло пострадать, ну ничего, потихоньку прозванивая можно прийти к пониманию рабочая мелкосхема или нет, процесс длительный и требующий внимательности. Я таким путём и пошёл, после того как понял, что всё рабочее, восстановил порезанные дорожки и убрал перемычки. Не взирая на то, что плата напичкана мама не горюй, сложного там особо и нет.
Ремонтировал MISHEL только просто ММА, а у вас там целый гиперболоид:D Думаю схемы не найдёте так что всё размеренно начиная с питания - не могу не согласится с Xort01 по поводу классности платы управления.:)
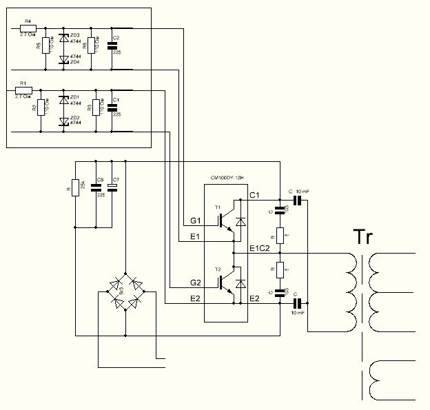
Питание сделал. 15в.12в.5в. На выходе 2 импульсных транса. Используется 1, полевики 4шт, логика в управлении. Дальше трудно проследить.
Дальше трудно проследить.- согласен, трудно. Я бы отключил силовой выход и посмотрел на ШИМ что ей запрещает выход - потом уже смотрел что там впереди неё. Вообще неизвестно что с ним приключилось что он отказал - судя потому что делался БП, то остальное должно быть живым.
Выход оключить не проблема, фишку вынул и все. На плате согласования были пробиты стабилитроны, жыва ли транзисторная сборка или нет определить тестером невозможно
потому как изолированный затвор " CM100DY-12H ". Сигналов на затворах полевиков перед трансформаторами нет, на входах логики тоже ничего. Прослеживание дорожек
на плате привело к .......(..). Безвозвратно утеряно кучу времени. Все остальное по силовой части проверено.Вложение 9422
Я мультиметром проверяю и мосфты и ижбт - как на пробой так и открытие и закрытие - так что не вижу проблемы в этом. Проблема до выходной сборки в том что нет сигналов с платы управления. Какая ШИМ управляет???
На тестер не реагируют, полный обрыв. Вытащил сборку из апарата, собрал схемку с блока питания и лампочки. Подавал на затворы напряжение управления до + \ - 10в. Транзюки не открываются никак.
Возможно выгорели, и стабилитроны на плате согласования оказались пробитыми. Причем на обоих транзисторах. Определить какой ШИМ рулит очень затруднительно изза
монтажа. Буду пробовать, если хватит терпения.
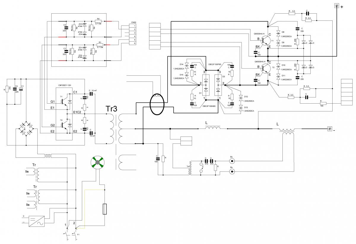
Вот могу предложыть мой вариант силовой части, комуто пригодится.
Вложение 9423
Обычно пробой силовых с коротышом или вообще разлетаются. ШИМ не так много что бы понять где она. Отмойте микрухи аккуратно до читабельности названия. В модулях параллельно Э-К есть диоды - что бы всё в обрыв:confused: может ошибочно подключали - всякое бывает.
Та да, модуль в обрыв - из разряда фантастики, что-то не так делает.