Сварочный инвертор Искра ММА-303.Явно сгорел транзистор в блоке питания.Название удалось прочитать 1F33AH.По даташиту-полевой транзистор с Р-каналом.Инфы по аналогам очень мало.Может кто менял,прошу помощи.]
Вид для печати
Сварочный инвертор Искра ММА-303.Явно сгорел транзистор в блоке питания.Название удалось прочитать 1F33AH.По даташиту-полевой транзистор с Р-каналом.Инфы по аналогам очень мало.Может кто менял,прошу помощи.]
Что то не то вы прочитали. Там типа 4N90 стоит
1F33AH - это наверное номер партии. То что это Р-канальный оччень я сомневаюсь. Это дежурка и ШИМка там - 43или 45 - скорее 43, а эти ШИМки управляют N-канальными транзисторами. На счёт даташита - хотелось бы его видеть.
Дело в том что в нижней части транзистора дырка выгорела.в верху осталась надпись 1F33AH.схема стандартная.Вполне возможно что это номер партии,и я зря заморачиваюсь.Даташит смотрел на sm1f33.Спасибо ,завтра буду ставит обычный полевик.
Там и ШИМке и обвязке трындец хорошо если трансформатор жив остался.
Перематывается на ура. Первичка ПЭЛШО и остальное родное.
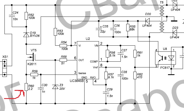
Помогите опознать выгаревшие элементы . Или может кто схемой поделится или фото этой части в хорошем качестве .https://d.radikal.ru/d16/2003/5f/e61226fa3dd5t.jpg
Схем дежурок полно в инете с такой комплектацией.
Вложение 10421Все сделал по данной схеме но запуска нет . Скажите схема для UC2845 на 4N90 может отличатся от этой ?