Вложений: 3
DECA MOS 168 упал и сгорела сила
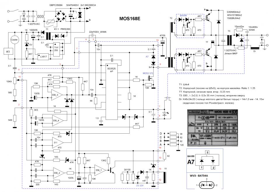
Принесли DECA MOS 168. Сгорели G30N60A4. Выпаял для проверки платки драйверов. В одной была подгоревшей диодная сборка A7W(BAV99).Заменил. Проверил осцилом без нагрузки что на затворах без вых транзисторов.
Там был меандр на обоих затворах. Впаял что было под рукой 40N60SMD с диодами (вроде рабочие, но с какого то дохлого аппарата). Включаю - показалоь, что откуда то с драйверов дымок. Не понял откуда, все детали живы, включаю снова. Появилось напряжение на выходе.
Дальше что то вентилятор сильнее закрутился, напряжение на выходе пропало. На вентилятор приходит 13.6В. Подключаю ослика. Один драйвер работает, на другом нет ничего. С ТГРа на драйвер импульсы идут, но теряются в 5-ти детальках драйвера :(
Потом шваркнул в том же нерабочем драйвере резистор 4.7Ом. Заменил - на затворе нет импульсов. Вместо силовых транзисторов пока поставил емкости 2200пик. Мои пробные силовые транзисторы выжили. Пока оставил до понедельника. Что смотреть? Пишут ТТ снизу у них подгорает. А может где то железо треснуло в ТТ или ТГР.
Осциллограммы в понедельник закину.Вложение 9123
Вложение 9124Вложение 9125
Есть схемка покрупнее https://radikal.ru/fp/31b9cb823fd34609949e8fb8433b059f
И по силовым. Будет ли жить на FGH40N60SFDTU или искать родные? Смущает, что на том же космодроме G30N60A4 есть по 120 и по 240грн...