Всем доброго времени суток.
Итак.
Есть инвертор, фирмы "Unitor", модель: "UWI 203 TP" // отакой //
Инвертор используется... использовался на судне (контейнеровоз), судовая сеть 3-фазная 440В / 60Гц.
Со слов сварщика: "водой не заливали / с высоты не роняли / долго не варили. А потом включил, а там ба-бах и всё."
Схемы на него нету, поскольку контора "Unitor" хочет, чтобы заказывали аппарат целиком или модули на него (ценовая политика: пара модулей = новый аппарат)...
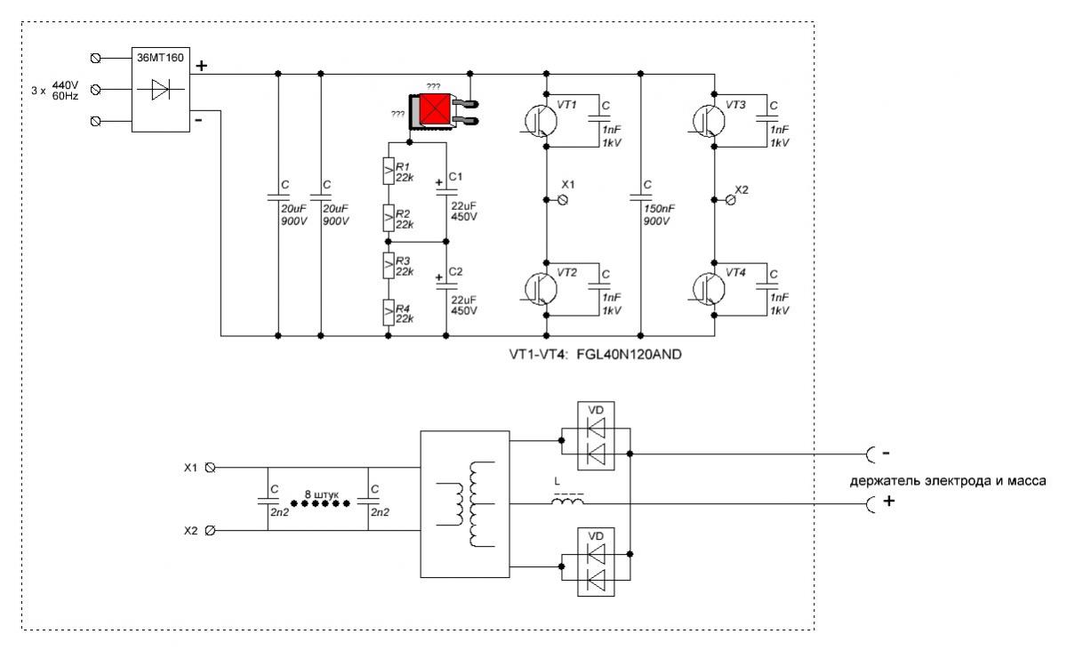
Разобрал, осмотрел... По внутренностям нарисовал кусок интересующей схемы (фото в конце).
Что нашёл:
- выходные транзисторы (VT1-VT4) целые.
- обрыв одного из резисторов R1-R4;
- взорвались 2 электролита (С1 и С2);
- "умер" выпрямительный мост (36МТ160);
- (самое неприятное) взорвалась одна деталька так, что определить маркировку не представляется возможным :(
* на схеме изобразил так, как она распаяна на плате)
* часть уцелевшей маркировки: "????? Е120"
--------------------------
Просьбы:
1) Кто может подсказать что это может быть за деталька?
2) Какую роль выполняет цепь R1-R4, C1, C2, деталь "Х" ?
--------------------------
Заранее спасибо.
кусочек схемы:
Вложение 8496
плата:
Вложение 8497
деталь "Х"
Вложение 8498
p.s. Логика и интернет наталкивают на мысль, что это какой-то диод...
p.p.s. Модераторы, если что не так, прошу поправить/переместить тему.

