-
Вложений: 4
EDON ММА-250 молчит
Попал в ремонт ММА-250 трехплатный баян.
Ничего горелого нет. На выходе 0В. Емкости заряжает, реле срабатывает. БП 25В выдает, 12В есть. Все откинул, подал на кренку 24В - потребление 30-40мА.
ШИМ молчит. Шим (SG3525) подкидывал, он живой. С регулировкой тока на операционнике СА3140 какая то странность. Включаю сварочник на минимальном токе.
слегка зажигаются светодиоды в ОС ОУ и на его выходе порядка 0.9В. Вращаю регулятор на выходе ОУ напряжение доходит до 1.8В, а потом резко доходит до 4В и потом регулировке не поддается.
ОУ купил новый - он оказался вообще не рабочим....но то пол беды. ШИМ не запускается. Если на 8 ногу шима (SS) подать высокий уровень - шим запускается, регулировка, если это можно так назвать регулирует и выход на ШИМе. Потребление при этом по 24В - 340мА.
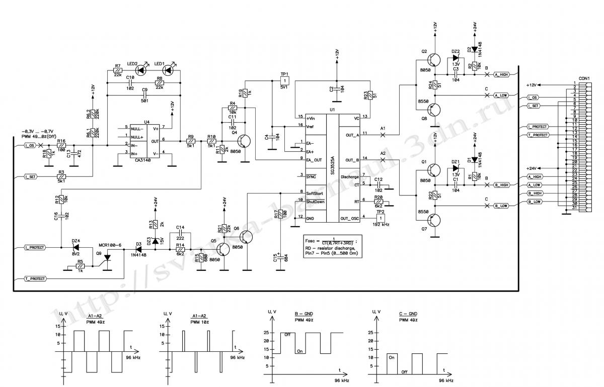
Почему не запускается шим? Что проверить? Схему, очень, очень похожую прилагаю
Вложение 8435Вложение 8436Вложение 8437Вложение 8438
-
Вложений: 2
Схему, очень, очень похожую прилагаю - может эти больше подойдут
Вложение 8439Вложение 8440
-
Победил. По моей схеме был в обрыве R17 6к2. Моя схема в данном случае была более подходящей. Перевернут был жгут идущий на шунт, ну то может до меня ремонтили и недоремонтили.
Не работает ОС по току. В начале идет небольшая регулировка, а потом ток выдает максимальный. Почему так? Опера менять?
-
Даже боле того, если подключить балласт и очень плавно крутить ток регулировка работает, но стоит дойти до определенного уровня или резко навалить - ОС нарушается, аппарат выдает макс ток и регулировка не возможна до перезагрузки по питанию.
Опера купил на космодроме - он вообще никак не работает. Следующего покупать? или есть секрет?
-
Проверь опорное 5 вольт на 3525. Там на вход операционника подаётся через резисторы 2 напряжения - с регулятора тока и с шунта - и когда напряжение с шунта компенситует
напряжение что выставлено на регуляторе тока срабатывает СА3140 и ограничивается ШИМ.( это на пальцах). Я когда делал сварочник с этой 3140 то я автономно ( отключил
силу ) только дежурка включена и имитировал ток шунта напряжением. Там у меня или на схеме или на плате полярность напряжения бала перевёрнута, которая идёт
с шунта (не помню)что внесло непонятку при ремонте, ну и сама СА3140 была нерабочей.
-
Vref в норме, СА3140 - поменяю, просто нет сейчас. Смущает, что если сварочник использовать как кипятильник и стартовать с минимального тока - то ток регулируется в полном пределе и на макс и на мин и туда сюда..
на шунте видел до 20 мВ (это метр нихрома 3,5, какой точно ток не знаю, мощный амперметр еще не завел, но работаю над этим).
Если регулятор при старте стоит не на нуле - ток сразу подскакивает на максимальный и не регулируется никак, до след перезапуска.
-
Не работает ОС по току. В начале идет небольшая регулировка, а потом ток выдает максимальный. Почему так? Опера менять? - по вашей схеме на резистор R2 поступает
с шунта отрицательное напряжение, а на резистор R9 положительное напряжение с регулятора тока - эти резисторы соединены и подключены ко второму выводу 3140. Когда
ток увеличивается через шунт и увеличивается отрицательное напряжение, которое компенсирует положительное и в определённый момент срабатывает СА3140 - чем больший ток выставлен
регулятором, тем больший ток должен выдать инвертор для получения большего напряжения ( отрицательного ) на шунте для компенсации большего напряжения выставленного
регулятором тока и срабатывания компаратора СА3140. Отсутствие выходного напряжения связано скорей всего из за оборванного резистора ( его поменяли ), а отсутствие регулировки тока может быть
связано в связи с манипуляцией жгута с шунта до платы управления. Выходной контакт + должен приходить на резистор R2 ( по вашей схеме).
-
Как опера проверить? Вот прямой вход у него на земле, инвертирующий замыкаю на землю. Что должно быть на выходе? У меня около 9В.
В моем аппарате задействованы 1 и 5 нога опера, стоит подстроечник. Я так понимаю ограничивать минимальный ток . Кручу его - выход меняется.
-
-
Спасибо, зачетные картинки. Так вот если абстрагироваться от шунта и оставить только цепь регулировки крутилкой у меня как на первой картинке вверх уровень выхода идет, а когда крутишь обратно - вниз не падает
но и отрицательный величин я не наблюдал. на входе №2 - от +0,3 до +0,8В их можно подкрутить, но в большую сторону